EasyManua.ls Logo

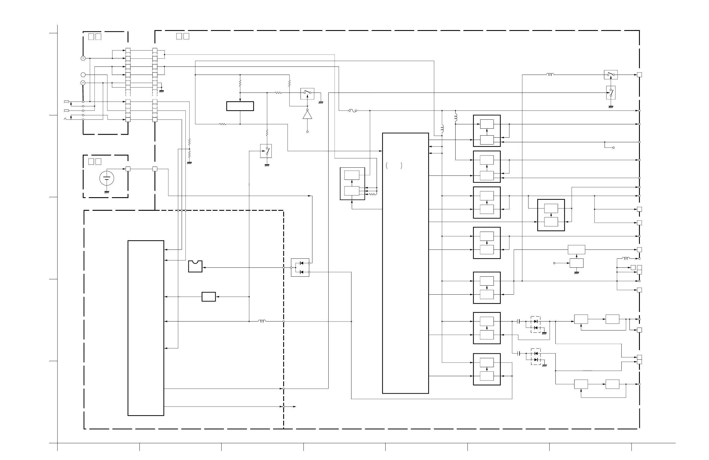
JVC GR-DVL155EG - 4.31 Regulator System Block Diagram

JVC GR-DVL155EG
92 pages
Print Icon
To Previous Page IconTo Previous Page
To Previous Page IconTo Previous Page
Loading...

Table of Contents

Related product manuals