EasyManua.ls Logo

JVC GR-DVL367EG - Out Schematic Diagram

JVC GR-DVL367EG
116 pages
Print Icon
To Next Page IconTo Next Page
To Next Page IconTo Next Page
To Previous Page IconTo Previous Page
To Previous Page IconTo Previous Page
Loading...
1
2
3
5
4
ABCD EFGH
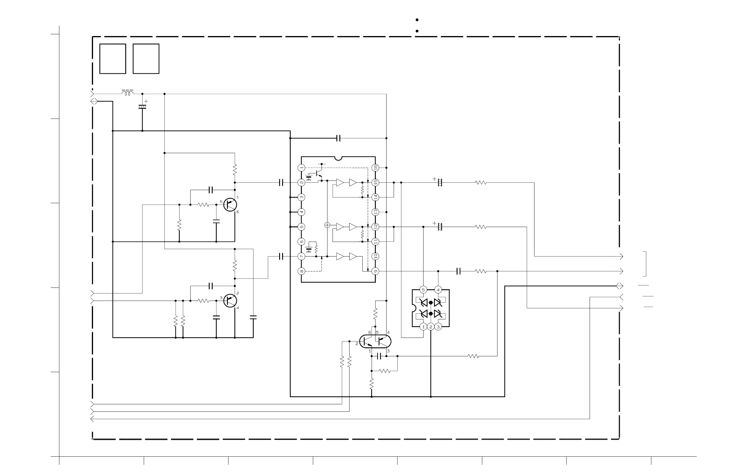
V OUT SCHEMATIC DIAGRAM4.10
4-224-21
Q3701
IC3701
Q3701
R3716
C3712
Y_OUT
R3724 R3706
R3701
C_OUT
C3715
V_OUT
S_DET
R3702
R3707
C3702
C3704
C3703
C3705
C3709
R3708
R3703
GND
C3713
REG_4.8V
S_DET
GND
DV_Y
DV_C
ASPECT1
D3701
C3708
ASPECT2
R3715
Q3702
R3714
L3701
C3701
R3711
R3712
R3713
R3718
R3717
R3719
C3710
C3706
C3707
330
3.9k 220
240
240
220
150p
100p
33p
33p
0.01
4.7k
4.7k
330
1
10k12k
10µ
10
68
68
68
560
560
10k
0.01
0.01
0.1
UMT2N-W
BA7665FS-X
/4
CH
/4
UMZ1N-W
/6.3
T
TO REG
TO
SYSCON
TO
CAM.DSP
(V OUT)
MAIN01
75
75
6dB
75
6dB
20k
Mute
Chroma Mute
6dB
NOTE : The parts with marked ( ) is not used.
y30160001a_rev0.0
TO
MAIN IF
CN101
TO REG
TO MAIN IF
CN101
TO MAIN IF
CN102
When ordering parts
,
be sure to order according to the Part Number indicated in the Parts List.
For the destination of each signal and further line connections that are cut off from
this diagram
,
refer to "4.1 BOARD INTERCONNECTIONS".
NOTES :

Table of Contents

Related product manuals