EasyManua.ls Logo

JVC GR-DVL367EG - Reg Schematic Diagram; Tg Schematic Diagram

JVC GR-DVL367EG
116 pages
Print Icon
To Next Page IconTo Next Page
To Next Page IconTo Next Page
To Previous Page IconTo Previous Page
To Previous Page IconTo Previous Page
Loading...
HGF
EDCBA
4
5
3
2
1
4-284-27
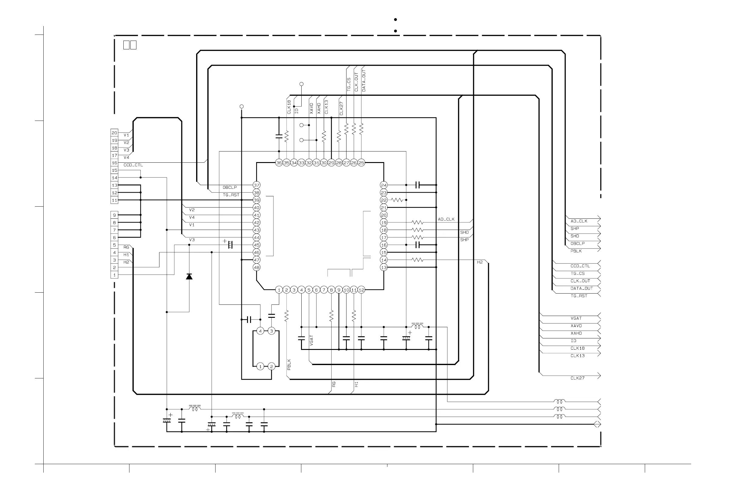
TG SCHEMATIC DIAGRAM4.13
IC5501
R5512
C5510
R5501
CCD_CTL
R5504
R5505
R5515
C5506
TG_RST
CN107
GND
REG_3V
REG-CCD
REG_12V
L5501
C5508
C5501
C5509
C5507
C5504
C5505
C5503
X5501
XAVD
XAHD
R5503
R5506
R5507
R5509
R5511
R5510
TL5501
R5513
L5506
C5514
R5514
TG_CS
CLK_OUT
DATA_OUT
C5513
CLK13
SHD
SHP
OBCLP
AD_CLK
ID
CLK18
CLK27
C5518
PBLK
L5505
C5519
TL5502
TL5503
TL5504
C5515
C5517
C5516
R5516
D5501
VGAT
L5502
L5503
L5504
C5511 C5512
1k
1
0
0
0
47
10µ
0.1
0.1
0.1
0.1
0.1
0.1
0.1
0
0
0
47
47
47
1k
10µ
0.1
1k
0.1
0.1
10µ
0.1
0.1
0.1
0.1
4.7 10
CK
Vss2
DATA /S SI
OBCLP
PBLK
SSGCTL
Vdd1
VGAT
DSGAT
HCLR
RG
Vss1
Vdd2
H1
Vdd3
H2
Vss3
Vdd4
SHP
SHD
XRS
DCC
Vss4
CAM/VTR
TEST
Vdd5
CLK/SSK
CS/SEN
CLK27/CL1716
Vss5
XAHD
XAVD
WEN
ID
Vdd6
RST
VM
VH
SUB
VL
Vss6
CLPDM
CLK13/CL
CLK18/MCK
V2
V4
V1
V3
JCY0117
/35
/4
SUB
CCD-6.5V
H2
H1
RG
GND
GND
GND
GND
GND
GND
GND
CCD_12V
CCD_12V
CCD_CTL
V1
V2
V3
V4
NC
GND OUT
VDD
NAX0356-001X
1SS355-X
NQR0129-002X
NQR0129-002X
NQR0129-002X
/20 /10
T
T
T
T
V_DRV
R_DRV
H_DRV
CDS_DRV
[54MHz_CXO]
TO CAM.DSP
[L;CAM]
[H;CAM]
[TG&V.Driver]
TO CAM.DSP
TO CCD
CN5201
TO SYSCON
TO REG
TO DVMAIN,
CAM.DSP
NOTE : The parts with marked ( ) is not used.
y30161001a_rev0.0
0 1 MAIN (TG)
When ordering parts
,
be sure to order according to the Part Number indicated in the Parts List.
For the destination of each signal and further line connections that are cut off from
this diagram
,
refer to "4.1 BOARD INTERCONNECTIONS".
NOTES :

Table of Contents

Related product manuals