EasyManua.ls Logo

JVC KD-21 - Page 13

JVC KD-21
29 pages
Print Icon
To Next Page IconTo Next Page
To Next Page IconTo Next Page
To Previous Page IconTo Previous Page
To Previous Page IconTo Previous Page
Loading...
KD-21A/B/E/U
KD-15A/B/C/E/J/U
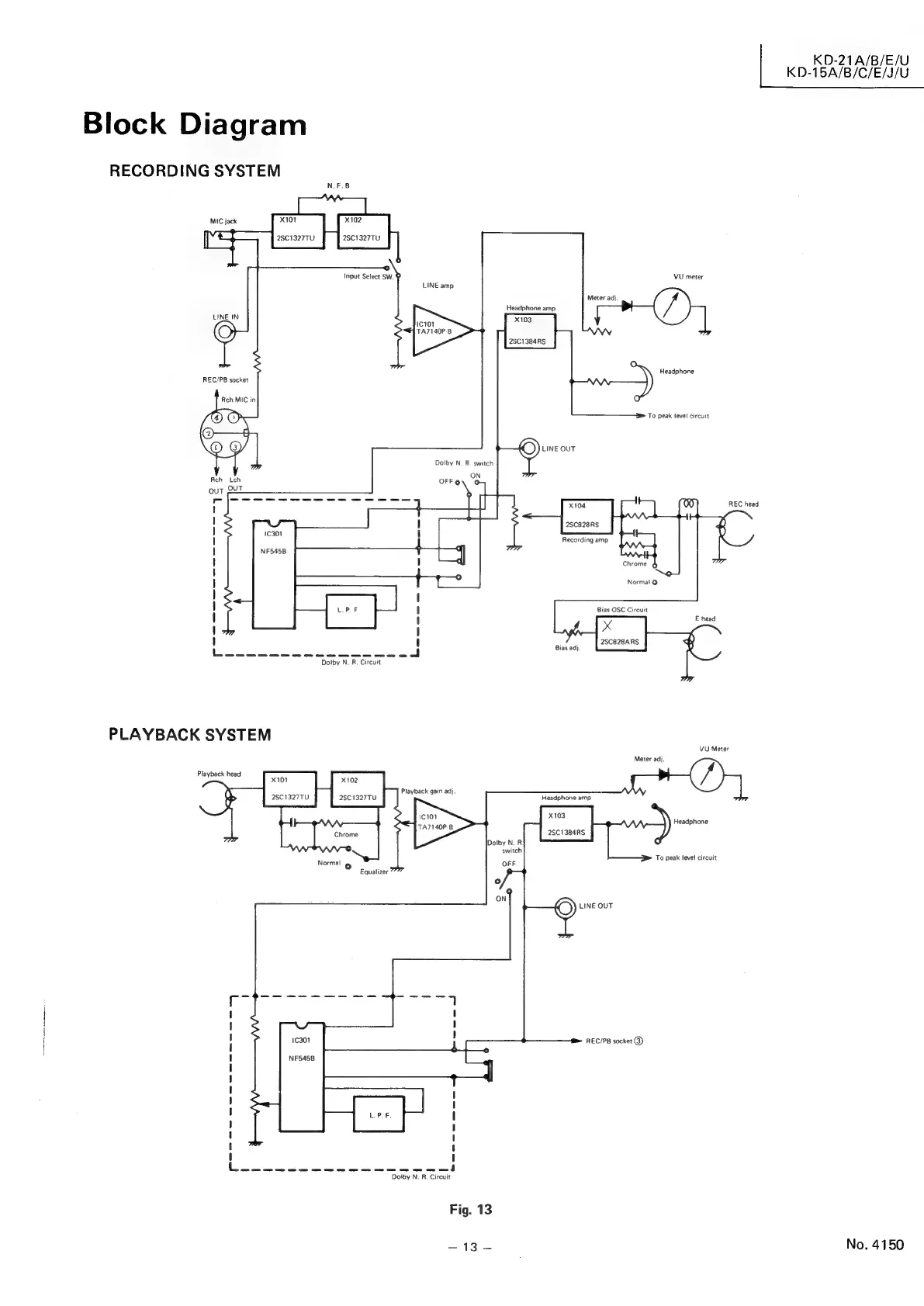
Block
Diagram
RECORDING
SYSTEM
X101
28C1327TU
MIC
jack
x102
28C1327TU
Input
Select
SW,
VU
meter
LINE
amp
Meter
adj.
Headphone
amp
LINE
IN
Ic101
108
TA7140P.B
2SC1384RS
Headphone
REC/PB
socket
Rech
MIC
in
To
peak
level
circuit
LINE
OUT
Dolby
N.
R.
switch
ON
Rch
Leh
OFFe
out OUT
-
ee
ee
ee
eee
1
REC
head
I
I
1301
!
I
NF545B
'
'
J
|
1
'
Bias
ad)
ee
Dolby
N.
R.
Circuit
PLAYBACK
SYSTEM
Playback
head
X102
q
28C1327TU
Normal
VU
Meter
Meter
adj.
Playback
gain
adj.
Headphone
amp
X103
2SC1384RS
1C101
TA7140P.B
Headphone
To
peak
level
circuit
Equalizer
LINE
OUT
REC/PB
socket
Q)
1¢301
----
-----------
a
A
a
ee
re
ey
|
Dolby
N.
R.
Circuit
Fig.
13
PZ
ee
No,
4150

Related product manuals