EasyManua.ls Logo

JVC KD-G611 - Disc Operations: Playing Discs; Playing Discs in the Receiver

JVC KD-G611
16 pages
Print Icon
To Next Page IconTo Next Page
To Next Page IconTo Next Page
To Previous Page IconTo Previous Page
To Previous Page IconTo Previous Page
Loading...
2-13
Parts are safety assurance parts.
When replacing those parts make
sure to use the specified one.
C312
IC801
C783
R738
R808
Q91
R3
C711
R739
R740
C311
R734
L1
D1 D2
R7
BZ841
R4
R6
R841
R735
R736
IC701
R743
R781
R744
R745
R807
C313
Q1
R304
C179
IC31
Q31
C170
C180
C902
R803
C314
C303
C304
R804
R805
R806
C50
R810
R809
R801
C801
SI
SCK
C91
Q2
R81
R91
SO
C78
C802
Q241
Q52
C52
Q841
C841
C781
IC702
C310
L701
R189
C36
C35
C46
R188
R303
R313
R314
R782
TU1
R248
R746
C39
C47
R708
C5
S702
R759
C319
R83R93
R742
Q81
R760
IC71
Q9
R74
C72
C76
C71
C75
C74
X71
R793
C308
VSS
R783
R720
R719
VDD
R758
VPP
C73
C77
S701
C32
C8
C49
X1
C706
Q84
R741
R243
R242
RESET
TD
C243
R244
C301
C241
D243
Q10
D998
RD
R756
X701 X702
C316
D997
D996
C83
D995
R53
J321
R707
R54
Q51
C55
C891
R891
C54
C968
C966
C967
C965
C964
R774
Q6
R977
R976
L710
C963
C962
C961
IC301
R714
R56
R57
R58
RA30
L711
R2
D902
L712
CN901
Q7
C81
C317
C707
IC901
R775
Q977
C302
C242
D994
D993
D992
D991
R43
C38
R715
R44
R716
CN701
R747
R748
R749
C33
C315
R705
R906
R59
C713
C320
R311
R312
R301
R302
C318
C322
C323
C324
C325
Q901
R901
R84
R702
J1
R729
R10
Q784
D782
C169
Q891
C307
C37
R32
C34
R704
R737
R882
R757
R245
R241
C712
D971
Q881
D714
S703
R764
R730
R731
IC771
C771
R732
J801
C722
R776
R777
RA701
R713
C990
R259R258
C186
C256
R187
R178
R166
R186
C257
R254
C273
IC271
C274
C275
C271
C272
Q271
Q272
R260
Q252
C163
C182
C162
C183
C171
C172
C173
IC161
C181
C161
C276
CN251
D253
C259
C260
C31
C914
R1
C43
C1
L901
D720
Q5
C40
C4
R171
D701
R5
C906
C2
C716
R42
R38
R751
R802
R92
C92
C82
R82
C10
D331
D321
Q3
C910
C905
C911
C724
C48
R332
R322
Q321
Q341
R331
R321
R169
R170
R323
R333
C321
X31
R31
C903
C9
C720
D703
C245
R750
D244
C919
R9
R39
C41
R51
Q782
D892
D972
C907
D781
R753
R721
R722
R73
R723
R72
R71
D84
C901
R246
R247
C94
D242
Q331
R726
R728
C3
C176
R11
R972
C701
C702
R33
C703
C704
C85
C95
R52
R55
C53
D891
R892
D710
D718
C913
C710
C908
C909
D705
D707
B902
C246
D709
D702
D704
D706
D708
R12
Q53
R971
R904
C717
R905
D784
C912
C782
Q902
R763
C6
L702
D901
R903 R902
D4
C784
Q781
R352
R342
R341
R351
R725
R40
R353
R343
D711
R41
R180
R179
C42
C45
Q976
C904
C44
Q351
C51
C915
R752
D341
D351
C708
C705
R701
C709
D713
C971
D5
C341
C84
R754
R755
C881
R771
R772
D715D716D717
R768
R881
R717
R718
D252
R172
C174
C175
R177
D719
C715
IC251
C251
R256
R255
C253
C252
R257
R252
R253
R251
R271
R272
R274R275R276
R273
C255
R261
R262
R263
Q251
C258
R176
R175
C166
C167
C168
C254
D251
QFV91HJ-474Z
HD74HC126FP-X
0.01
4.7k
330
4.7k
220/10
4.7k
4.7k
QFV91HJ-474Z
2.2k
4.7u
4.7k
QAN0023-001Z
3.3k
47k
1K
2.2k
2.2k
UPD784217AGC330
10k
47K
10k
10k
100k
100p
1.2k
4.7/25
TB2118F-X
10
UN2211-X
4.7/25
4.7/25
2.2/50
100
100p
100p 100p
22k
100k
10k
100P
100
22k
47k
0.047
1/50
5.6K
5.6K
0.01
0.01
2SD601A/QR/-X
2SD601A/QR/-X
0.01
UN2211-X
0.1/50
100/6.3
IC-PST3433U-X
0.022
4.7u
270
7P
10P
0.01
270
1.2k
1.2k
1.2k
2.2K
QAU0221-001
220
10k
1000P
0.01
3.3k
0.1/50
QSW0451-001
47k
0.022
4.7k
4.7k
10k
47k
SAA6579T-X
UN2111-X
100
0.022
0.01
560p
47p
82p
QAX0263-001Z
0
1/50
10K
1.2k
0
47k
2.2/50
47/6.3
QSW0451-001
47P
0.001
0.047
UN2111-X
10k
180k
22k
0.047
12k
QFV91HJ-474Z
1/50
RB160M-30-X
UN2211-X
RB160M-30-X
47k
QAX0777-001Z QAX0401-001
4.7/25
RB160M-30-X
RB160M-30-X
0.1
RB160M-30-X
47k
QNN0489-001
47k
10k
2SD601A/QR/-X
0.47/50
0.1
1k
0.1
100P
100P
100P
100P
100P
100
2SB624/4/-X
12k
27k
NQR0007-002X
100P
100P
100P
TB2906HQ
10k
10k
15k
470
NRZ0065-222X
NQR0007-002X
47k
MA111-X
NQR0007-002X
QNZ0650-001
UN2211-X
1/50
47/16
0.047
HA13164A
100
QMFZ047-150-T
2SB709A/QR/-X
QFV91HJ-474Z
22/16
RB160M-30-X
RB160M-30-X
RB160M-30-X
RB160M-30-X
470
0.001
1k
220
1k
QNZ0605-001
4.7k
4.7k
4.7k
47/6.3
2.2/50
47k
1k
47k
0.01
0.022
51K
51K
51K
51K
2.2/50
0.0047
0.0047
0.0047
0.0047
UN2211-X
1k
0
10k
QNB0100-002
47k
10K
UN2111-X
MA111-X
4.7/25
UN2211-X
47/16
10P
6.2k
0.047
47k
0
4.7K
2.2k
47
47k
0.01
RB160M-30-X
UN2211-X
UDZS5.6B-X
QSW1049-001Z
100
10k
47k
BR24L32F-W-X
0.047
10K
QNZ0095-001
270P
47k
47k
NRZ0065-102X
100
0.01
15K5.6K
10/16
0.082
120k
10K
10K
10K
2.2/50
0
0.033
CD4066BPW-X
0.027
0.027
0.01
0.0056
UN2211-X
UN2211-X
47K
UN2111-X
1/50
QTE1H55-225Z
QTE1H55-225Z
1/50
1/50
1/50
1/50
TDA7404D-E-X
1/50
1/50
0.01
QGA2501C1-03
MA111-X
47/6.3
0.1
100/10
100/16
10
0.047
2SD601A/QR/-X
22/16
QQR1378-002
2SB709A/R/-X
MA111-X
MA111-X
10/16
220/10
100K
47k
0.01
0.047
2SD601A/QR/-X
100
10k
47k
2SD601A/QR/-X
30K
0.0018
0.0018
30K
0.01
MA111-X
MA111-X
UN2111-X
10/16
47/16
0.1
0.33
0.047
820
820
KTD1304-X
KTD1304-X
2.2k
2.2k
47k
47k
100
100
0.047
QAX0616-001Z
10
47/16
220/10
0.01
0.22
10k
UDZS5.1B-X
10/16
0
0
0.047
22K
KTD1304-X
MA111-X
2SD601A/QR/-X
RB160M-30-X
220/10
MA111-X
47k
1k
10k
2.2k
10k
2.2k
2.2k
MA111-X
QEZ0722-338
1k
39K
0.01
MA111-X
KTD1304-X
10k
10k
22/16
0.22
10K
2.2k
22P
27P
10k
27P
8P
0.0039
0.0039
47k
2.2k
0.0047
MA111-X
47k
10/16
47/6.3
220/10
220/10
0
0.01
0
UN2211-X
2.2k
5.6k
10k
UDZS11B-X
0.01
0.082
UN2111-X
1k
0.01
4.7u
1N5401-F64
4.7k 9.1k
MA111-X
100/16
UN2111-X
820
820
2.2k
2.2k
10k
39k
100
100
3.9K
47k
47k
0.01
0.0068
UN2211-X
10/16
0.033
KTD1304-X
330P
0.1
47k
MA111-X
MA111-X
0.047
0.047
47k
0.01
MA111-X
0.1
MA111-X
0.047
0.01
820
10M
22/16
270
270
SML-310VT/JK/-X
SML-310VT/JK/-X
SML-310VT/JK/-X
270
47K
10k
10k
MA111-X
100K
0.0033
0.0033
330
NJM4565M-WE
0.0082
10K
10K
100/6.3
2.2/50
100K
47K
100K
100K
1M
1M
1M1M47K
47K
47/16
820
180
4.7K KTD1304-X
0.01
2.2K
2.2K
47/16
0.0047
100/10
47/16
MA111-X
SQ
PSW
SUBOUT
CH.L
DAC-CDTI
DAC-CCLK
DAC-CSN
KEY2
DAC-PDN
DIMIN
8V
INT
9V
CD.R
REMOCON
ENC1
SI
CD.L
ENC2
KEY1
KEY0
LEVEL
CD.L
SW1
CD.R
LCDCL
CH.L
CH.R
BUZZER
LCDCE
LCDCL
LCDDA
I/O
A.G
SCK
SO
A.L
SI
A.R
OUTRL
CH.R
AUX.R
FM/AM
CDON
AUX.G
LCDDA
RST
LCDCE
A-GND
VOLDA
SW5V
VOLCK
MP3REQ
SW2
DIMOUT
SUBMUTE
AUX.L
RR-
LPF1
I/O
LPF2
LM0
A.G
OUTFL
A.L
A.R
LM1
RR+
FR-
10V
DIMOUT
BUS0
MP3DOUT
SO
BUS1
BUS0
MP3DIN
BUS1
MP3STBY
BUS2
BUS3
PLLCE
PLLDA
PLLCL
BUS2
BUS3
PLLDI
CDRW
FR+
FL+
MP3RESET
FL-
KEY2
RL+
SCK
RL-
BUCK
CCE
RST
MP3CLK
ACC5V
SQ
VDD5V
OUTRR
OUTFR
CH.SCK
CDRW
SUBMUTE
LPF2
TELMUTE
ENC2
CDON
LPF1
TELMUTE
SD/ST
KEY1
KEY0
LEVEL
BUCK
CCE
SM
MP3CLK
AM.VCC
SW2
VOLDA
MP3REQ
MP3RESET
MP3STBY
MP3DOUT
MONO
MP3DIN
DAC-PDN
DAC-CDTI
DAC-CCLK
DAC-CSN
AFCK
BUZZER
TU.R
SEEK/STOP
VOLCK
REMOCON
IFC-CONT
SEEK/STOP
AFCK
RDSDA
RDSCL
LM1
SEEK/STOP
LM0
MONO
SD/ST
RR-
FR-
FL-
RL-
RR+
FR+
FL+
RL+
DIMIN
SW1
PSW
INT
TU.L
RDSCL
ENC1
RDSDA
IFC-CONT
SM
PLLDI
PLLCL
PLLDA
PLLCE
FM/AM
To CN601
(SHEET 6)
(SHEET 5)
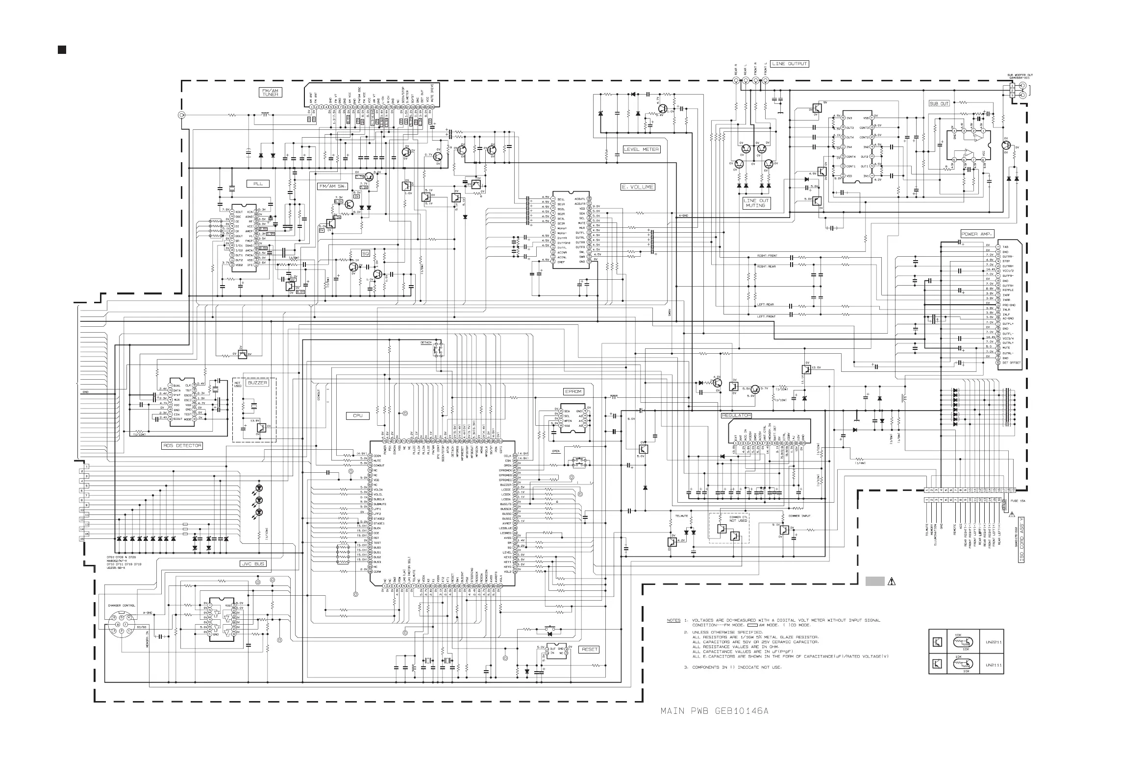
Main amplifier section (For KD-G617)
SHEET 4

Other manuals for JVC KD-G611

Related product manuals