EasyManua.ls Logo

JVC KD-S33 - Electrical Connections; Connecting the External Components

JVC KD-S33
30 pages
Print Icon
To Previous Page IconTo Previous Page
To Previous Page IconTo Previous Page
Loading...
2
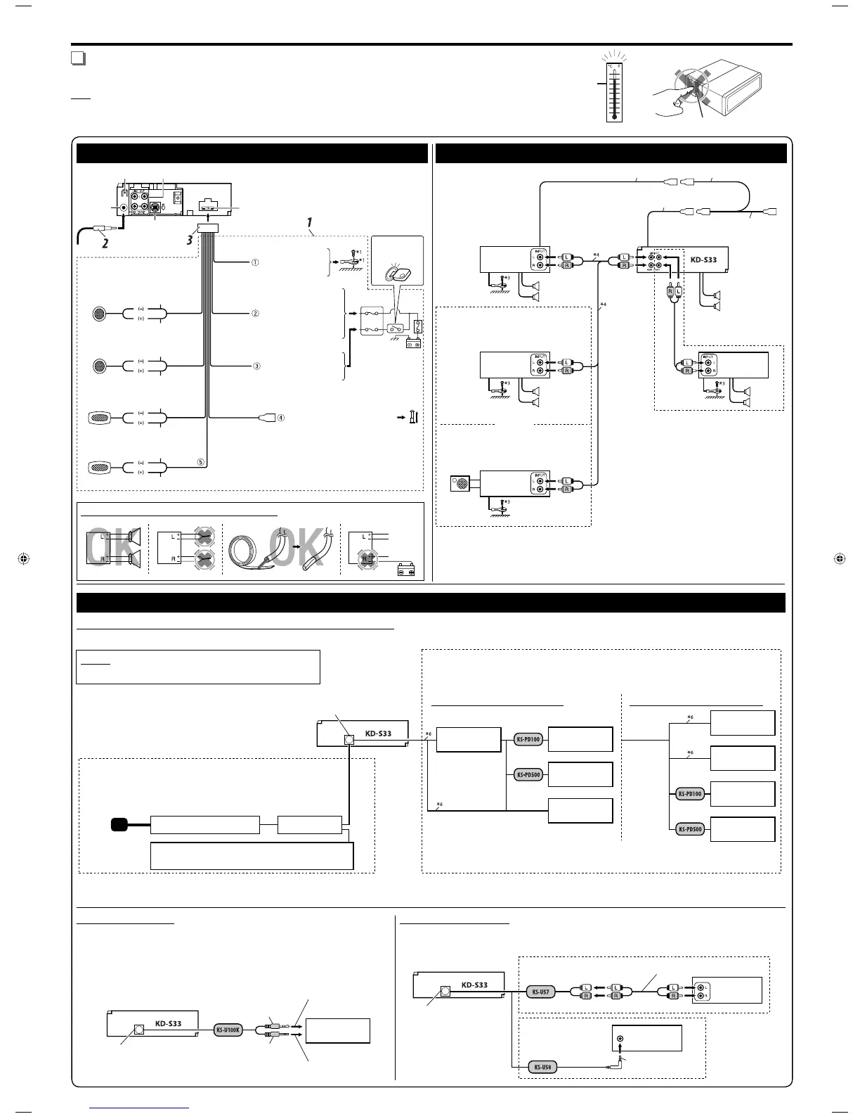
Purple
Front speaker (left)
To the remote lead of other
equipment or automatic antenna if
any (200 mA max.)
Blue with white
stripe
Red
To an accessory terminal in
the fuse block
To a live terminal in the
fuse block connecting to the
car battery (bypassing the
ignition switch) (constant
12 V)
Yellow *
2
To metallic body or
chassis of the car
Black
Ignition switch
*
1
Not supplied for this unit.
*
2
Before checking the operation of this unit prior to
installation, this lead must be connected, otherwise power
cannot be turned on.
*
3
Firmly attach the ground wire to the metallic body or to the
chassis of the car—to the place uncoated with paint (if
coated with paint, remove the paint before attaching the
wire). Failure to do so may cause damage to the unit.
*
4
Signal cord (not supplied for this unit).
15 A fuse
Fuse block
Rear speaker (left)
Rear speaker (right)
Front speaker (right)
White with black stripe
Line out
Rear ground terminal
Antenna
terminal
Set “L/O MODE” to “WOOFER”
(See page 14 of the INSTRUCTIONS.)
Rear speakers
Remote lead
Remote lead (blue with white stripe)
To the remote lead of other equipment
or automatic antenna if any
Y-connector *
1
Front speakers
Subwoofer
Set “L/O MODE” to “REAR”
(See page 14 of the INSTRUCTIONS.)
Gray with black stripe
Green
Gray
Green with black stripe
Purple with black stripe
White
JVC Amplifier
ELECTRICAL CONNECTIONS
Typical connections Connecting the external amplifiers and/or subwoofer
Make sure to disconnect the battery’s negative terminal.
Be sure to ground this unit to the car’s chassis again after installation.
Note:
It is recommended to connect to the speakers with maximum power of more than 50 W (both at the rear and at the front, with an impedance of 4 Ω to 8 Ω).
If the maximum power is less than 50 W, change “AMP GAIN” setting to prevent the speakers from being damaged (see page 14 of the INSTRUCTIONS).
Heat sink
High
Connect only the front speakers if your
speaker system is two-speaker system.
PRECAUTIONS on power supply and speaker connections
JVC Amplifier
To external
component
JVC Amplifier
Front speakers
or
Connecting the external components
(A) JVC CD changer, SIRIUS Satellite radio, XM Satellite radio, Apple iPod®, or JVC D. player
Set “CHANGER” for the external input setting (See page14 of the INSTRUCTIONS.)
For listening to the SIRIUS Satellite radio, connect a JVC DLP—Down Link Processor (separately purchased) to this unit.
The iPod
*
5
or D. player (separately purchased) can be connected using an interface adapter (not supplied)—KS-PD100
(for iPod) or KS-PD500 (for D. player).
Connection 1 (integrated connection)
JVC DLP
Apple iPod
JVC D. player
JVC CD changer
Connection 2 (alternative connection)
JVC DLP
JVC CD changer
Apple iPod
JVC D. player
CD changer jack
For listening to the XM Satellite radio, you can also connect XMDirect
TM
Universal
Tuner Box (separately purchased) through this unit using JVC Smart Digital Adapter—
XMDJVC100 (not supplied).
To CD changer, KS-PD100, or KS-PD500 if using Connection 1 (intergrated
connection)
XMDirect
TM
Universal Tuner Box XMDJVC100
Antenna (supplied
with XMDirect
TM
Universal Tuner Box)
or
or
or
CAUTION:
Before connecting the external components, make sure that the unit is turned off.
*
5
iPod is a trademark of Apple Computer, Inc., registered in the U.S. and other countries.
*
6
Signal cord supplied with your JVC CD changer or DLP.
(B) JVC PnP (Plug and Play)
Set “EXT IN” for the external input setting (See page14 of the INSTRUCTIONS.)
You can also connect JVC PnP through this unit using JVC SIRIUS radio adapter, KS-U100K (not supplied).
Turning on/off the unit can also turns on/off the JVC PnP.
Stereo mini plug
DC power plug
To DC IN jack
To headphones jack
CD changer jack
(C) Other external component
You can also connect an external component through this unit using Line Input Adapter, KS-U57 (not supplied) or AUX Input Adapter,
KS-U58 (not supplied).
3.5 mm stereo mini plug
Signal cord (not supplied for this unit)
CD changer jack
External
component
External
component
JVC PnP
or
or
or
JVC Amplifier
Front
speakers
Install_EN_KD-S33[J]f.indd 2Install_EN_KD-S33[J]f.indd 2 7/3/06 9:48:57 AM7/3/06 9:48:57 AM

Other manuals for JVC KD-S33

Related product manuals