EasyManua.ls Logo

JVC KD-S847 - Page 32

JVC KD-S847
71 pages
Print Icon
To Next Page IconTo Next Page
To Next Page IconTo Next Page
To Previous Page IconTo Previous Page
To Previous Page IconTo Previous Page
Loading...
KD-S847
1-32 (No.49832)
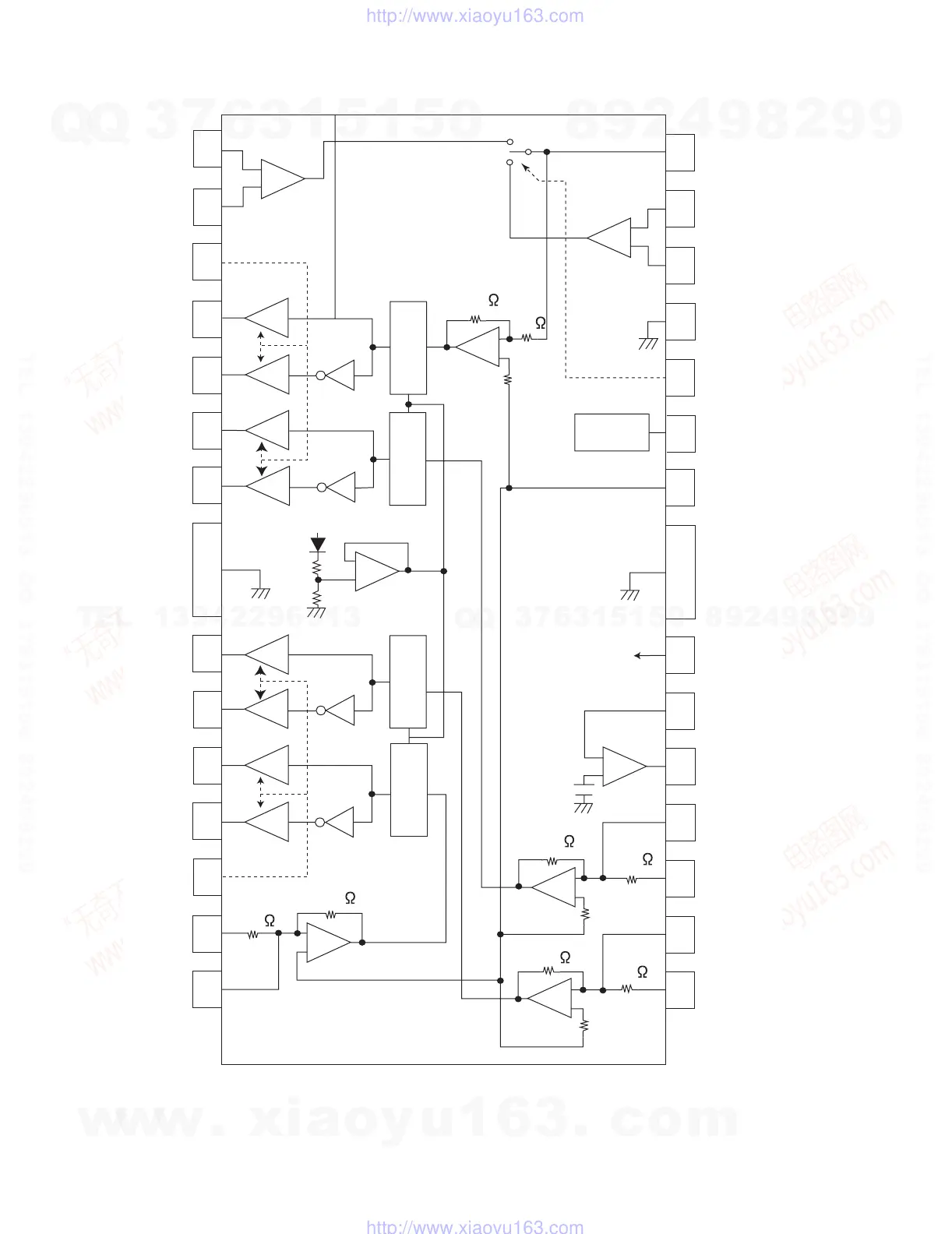
4.6 LA6579H-X (IC501) : 4-Channel bridge driver
Pin layout & Block diagram
28
27
26
25
24
23
22
21
20
19
18
17
16
15
1
2
3
4
5
6
7
8
9
10
11
12
13
14
FR
FR
VIN1
VIN1-B
VIN1+B
S-GND
VIN1-S
W
MUTE
VREFIN
VCCS
3.3VREG
REGIN
VIN2G
VIN2
VIN3G
VIN3
FR
VIN1-A
VIN1+A
VCCP1
VO+
VO-
VO2+
VO2-
VO3+
VO3-
VO4+
VO4-
VCCP2
VIN4
VIN4G
FR
+
-
+
-
+
-
[H]
[L]
VIN1_SW
[H]: OP-AMP_A
[L]: OP-AMP_B
33k
11k
Signal system
power supply
All outputs ON/OFF
H : ON
L : OFF
MUTE
Level shift
Level shift
Power system GND
Signal system
power supply
3.3VREG
(External:PTP Tr)
+
-
Power system
GND
Level shift
Level shift
+
-
33k
11k
+
-
+
-
+
-
11k
33k
33k
11k
w
w
w
.
x
i
a
o
y
u
1
6
3
.
c
o
m
Q
Q
3
7
6
3
1
5
1
5
0
9
9
2
8
9
4
2
9
8
T
E
L
1
3
9
4
2
2
9
6
5
1
3
9
9
2
8
9
4
2
9
8
0
5
1
5
1
3
6
7
3
Q
Q
TEL 13942296513 QQ 376315150 892498299
TEL 13942296513 QQ 376315150 892498299
http://www.xiaoyu163.com
http://www.xiaoyu163.com

Related product manuals