EasyManua.ls Logo

JVC KD-S847 - Page 38

JVC KD-S847
71 pages
Print Icon
To Next Page IconTo Next Page
To Next Page IconTo Next Page
To Previous Page IconTo Previous Page
To Previous Page IconTo Previous Page
Loading...
KD-S847
1-38 (No.49832)
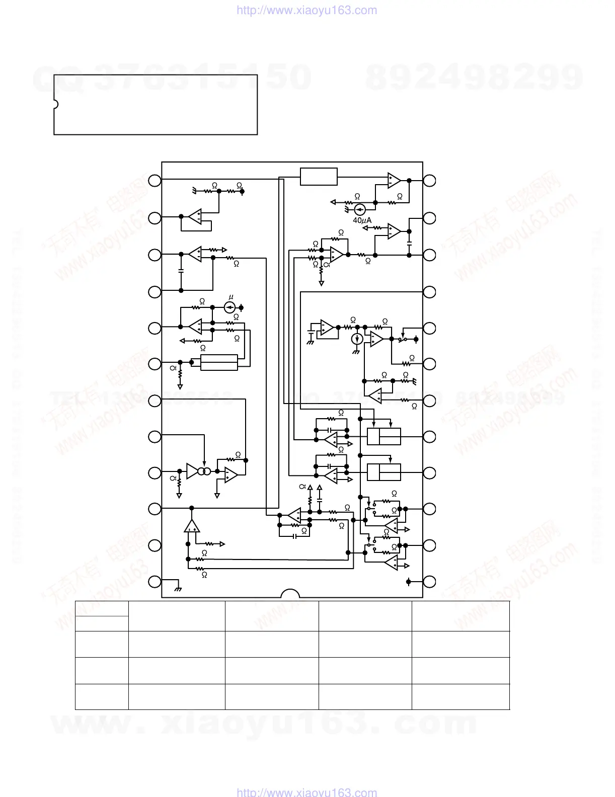
4.13 TA2157FN-X (IC521) : RF amp
Pin layout
Block diagram
24 ~ 13
1 ~ 12
12
11
10
9
8
7
6
5
4
3
2
1
13
14
15
16
17
18
19
20
21
22
23
24
20k 20k
15k
20k
20k
3k
180k
240k
240k
15pF
15pF
40pF
40pF
10pF
60k
60k
22k
22k
94k
94k
14k
50k
20k
20k
20k
40k
50k
PEAK
15k
40k
2k
1.75k
1.3V
2k
1k
180k
3k
12k
12k
20k
40k30k
10pF
50 A
BOTTOM
PEAK
K
1
x0.5
x2
x0.5
x2
PIN
SEL
(APC SW)
TEB
(TE BAL)
RFGC
(AGC Gian)
TEB
(TE BAL)
VCTRLPIN
VCC APC ON -50% +12dB
Normal mode
(0dB)
HiZ APC ON 0% +6dB
Normal mode
(0dB)
GND
APC OFF
(LDO=H)
50% 0dB
CD-RW mode
(+12dB)
w
w
w
.
x
i
a
o
y
u
1
6
3
.
c
o
m
Q
Q
3
7
6
3
1
5
1
5
0
9
9
2
8
9
4
2
9
8
T
E
L
1
3
9
4
2
2
9
6
5
1
3
9
9
2
8
9
4
2
9
8
0
5
1
5
1
3
6
7
3
Q
Q
TEL 13942296513 QQ 376315150 892498299
TEL 13942296513 QQ 376315150 892498299
http://www.xiaoyu163.com
http://www.xiaoyu163.com

Related product manuals