EasyManua.ls Logo

JVC KD-S890 - Removing the Unit from Vehicle

JVC KD-S890
44 pages
To Next Page IconTo Next Page
To Next Page IconTo Next Page
To Previous Page IconTo Previous Page
To Previous Page IconTo Previous Page
Loading...
KD-S890
1-32 (No.49799)
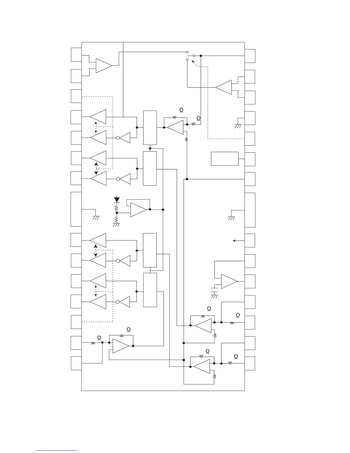
4.6 LA6579H-X (IC501) : 4-Channel bridge driver
Pin layout & Block diagram
28
27
26
25
24
23
22
21
20
19
18
17
16
15
1
2
3
4
5
6
7
8
9
10
11
12
13
14
FR
FR
VIN1
VIN1-B
VIN1+B
S-GND
VIN1-S
W
MUTE
VREFIN
VCCS
3.3VREG
REGIN
VIN2G
VIN2
VIN3G
VIN3
FR
VIN1-A
VIN1+A
VCCP1
VO+
VO-
VO2+
VO2-
VO3+
VO3-
VO4+
VO4-
VCCP2
VIN4
VIN4G
FR
+
-
+
-
+
-
[H]
[L]
VIN1_SW
[H]: OP-AMP_A
[L]: OP-AMP_B
33k
11k
Signal system
power supply
All outputs ON/OFF
H : ON
L : OFF
MUTE
Level shift
Level shift
Power system GND
Signal system
power supply
3.3VREG
(External:PTP Tr)
+
-
Power system
GND
Level shift
Level shift
+
-
33k
11k
+
-
+
-
+
-
11k
33k
33k
11k

Other manuals for JVC KD-S890

Related product manuals