EasyManua.ls Logo

JVC MX-DK1US - Cassette Mechanism Assembly Parts List

JVC MX-DK1US
67 pages
Print Icon
To Next Page IconTo Next Page
To Next Page IconTo Next Page
To Previous Page IconTo Previous Page
To Previous Page IconTo Previous Page
Loading...
3-10
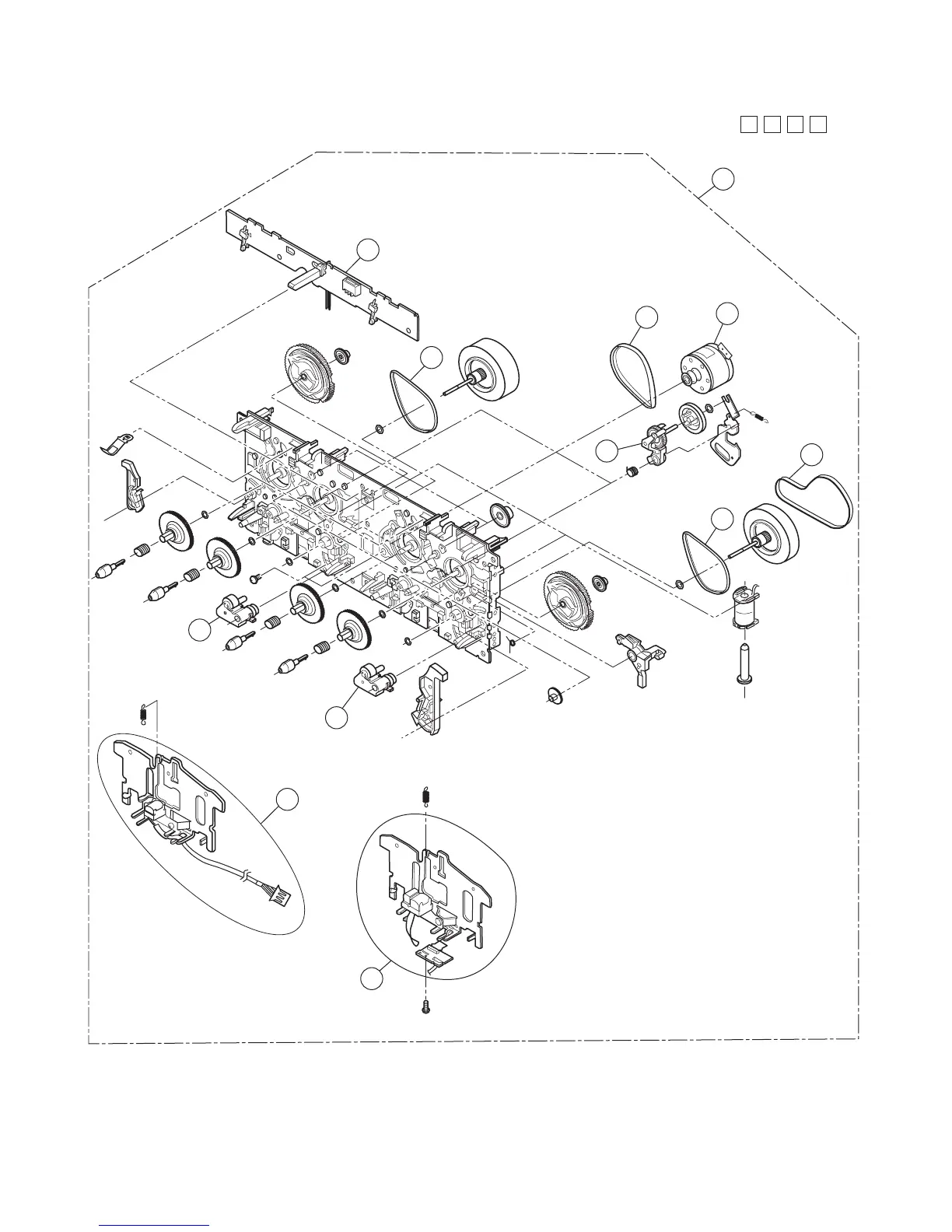
Cassette mechanism assembly and parts list
Block No.
QAL0789-001
M
M
M
P
The parts without symbol number are not service.
9
2
4
6
5
5
7
8
7
3
6
1

Related product manuals