EasyManua.ls Logo

JVC MX-GB6

JVC MX-GB6
85 pages
To Next Page IconTo Next Page
To Next Page IconTo Next Page
To Previous Page IconTo Previous Page
To Previous Page IconTo Previous Page
Loading...
1-18 (No.MB160)
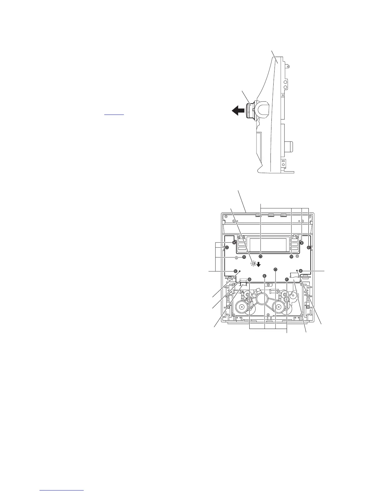
3.1.13 Removing the front board
(See Figs.30 and 31)
Prior to performing the following procedures, remove the top
cabinet, CD changer mechanism assembly, front cabinet as-
sembly and VFD board.
(1) From the outside of the front cabinet assembly, pull out the
volume knob. (See Fig.30.)
(2) From the inside of the front cabinet assembly, remove the
thirteen screws Y attaching the front board. (See Fig.31.)
(3) Take out the front board while releasing the claw i in the di-
rection of the arrow. (See Fig.31.)
(4) From the forward side of the front board, disconnect the
card wire from the connector UCW06
. (See Fig.31.)
Reference:
When attaching the front board, align the projections (j, k) of
the front cabinet assembly in the holes of the front board.
Fig.30
Fig.31
Volume knob
Front cabinet assembly
k
j
i
Front cabinet assembly
UCW06
Cord wire
Front board
Y
Y
Y
Y

Other manuals for JVC MX-GB6

Related product manuals