EasyManua.ls Logo

JVC MX-KC4 - Page 36

JVC MX-KC4
61 pages
Print Icon
To Next Page IconTo Next Page
To Next Page IconTo Next Page
To Previous Page IconTo Previous Page
To Previous Page IconTo Previous Page
Loading...
2-8
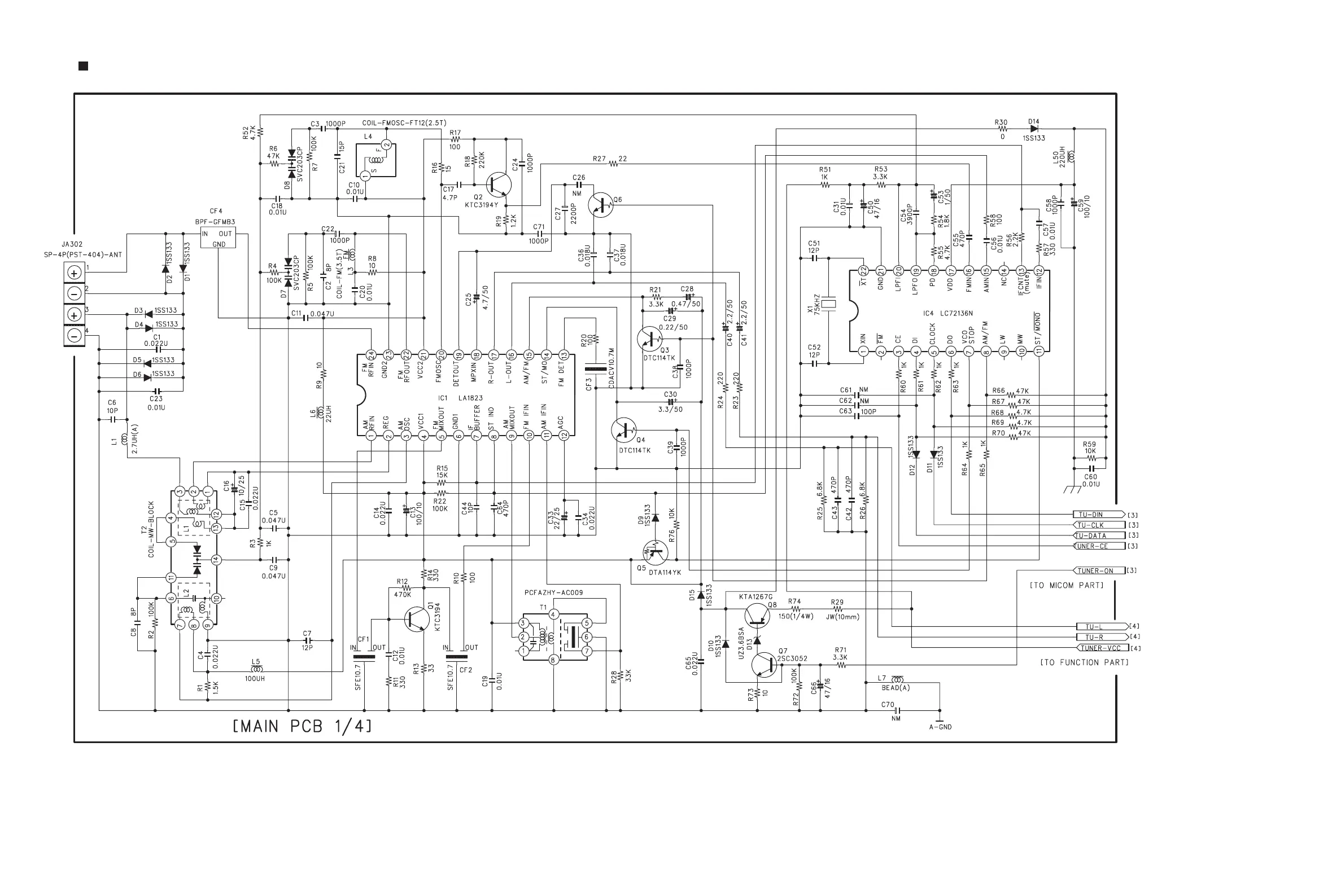
Tuner section

Other manuals for JVC MX-KC4

Related product manuals