EasyManua.ls Logo

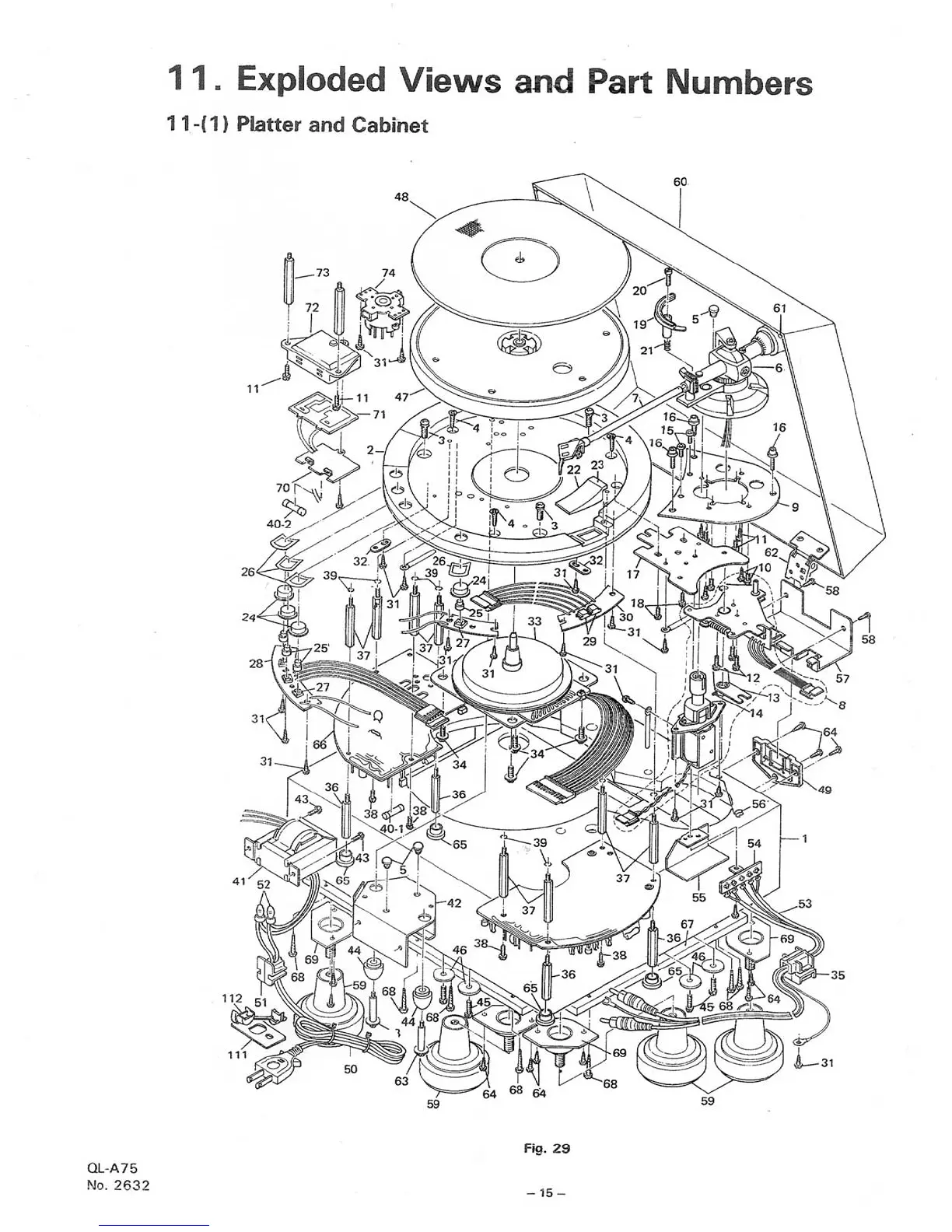
JVC QL-A75 - 11. Exploded Views and Part Numbers; 11-(1) Platter and Cabinet

JVC QL-A75
35 pages
Print Icon
To Next Page IconTo Next Page
To Next Page IconTo Next Page
To Previous Page IconTo Previous Page
To Previous Page IconTo Previous Page
Loading...

Related product manuals