EasyManua.ls Logo

JVC RC-BZ6

JVC RC-BZ6
60 pages
To Next Page IconTo Next Page
To Next Page IconTo Next Page
To Previous Page IconTo Previous Page
To Previous Page IconTo Previous Page
Loading...
RC-BZ5LB/BZ5RD
RC-BZ6BU
2-2
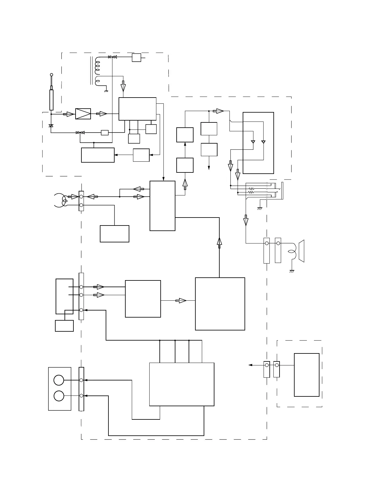
Block diagrams (RC-BZ6BU)
Bias
IC301
R/P Amp.
IC303
E.VOL
IC601
RF/Servo amp.
IC603
Digital servo
Digital signal
Processor
IC602
BTL Driver
CD Pickup
Spindle
Feed
Forcus
Tracking
F/T
Coil
IC1
IC2
PLL
IC302
Q101
Q201
Q302
L4
T2
CF1
J301
L3
AM
BPF
L1
+B
BP1
Q101
REC
PB
CN301
R/P HEAD
CN601
SPINDLE / FEED
MOTOR
M
M
RCH
LCH
SMUTE
LCH
RCH
LCH
RCH
CN309
R-CH / L-CH
SPEAKER
CN303
IC701
SYSTEM
CONT.
SMUTE
CN703
IC304
Bass
Boost
Amp.
Tuner
L&R
L.OSC
FM RF/IF/DET/MPX
AM RF/IF/DET
Power Amp.
www.freeservicemanuals.info
11/28/2017
Digitized in Heiloo Netherlands

Other manuals for JVC RC-BZ6

Related product manuals