EasyManua.ls Logo

JVC RX-7010RBK - Page 44

JVC RX-7010RBK
55 pages
To Next Page IconTo Next Page
To Next Page IconTo Next Page
To Previous Page IconTo Previous Page
To Previous Page IconTo Previous Page
Loading...
AB CD E F G
1
2
3
4
5
2-3
RX-7010RBK/RX-7012RSL
Parts are safety assurance parts.
When replacing those parts make
sure to use the specified.
SHEET 2/8
Sheet 4/8 Sheet 3/8
FW485
(LVA10211-1)
Sheet 4/8
Sheet 1/8
Sheet 1/8
FRONT signal
SURROUND signal
CENTER signal
CN321
FW301
FW302
FW301
FW302
FW303
Q1351
R1313
L1351
R1314
R1315
R1316
R1302
R1303
C1378
L1352
C1308
CN373
L1353
D1355
D1306
Q1301
CN351
R1317
C1377
Q1308
D1310
R1320
R1321
R1301
C1306
C1351
R1357
R1358
D1356
C1352
R1356
R1355
D1305
CN371
Q1353
Q1355
Q1357
Q1358
Q1352
Q1354
Q1356
D1359
D1360
D1357
D1358
CN372
C1353
C1354
R1351
D1351
RY301
ST302
L1354
R1364
L1355
R1365
R1366
R1352
D1352
R1367
RY302
ST301
R1363
R1362
Q1302
Q1304
Q1303
C1310
C1309
R1309
R1311
R1312
R1310
R1304
R1305
R1306
R1307
R1308
D1307
R1360
R1361
RY303
RY304
D1353
D1354
R1353
R1354
ST303
R1359
Q1305
Q1307
Q1306
R1318
R1319
D1309
D1308
C1311
CN385
FW341
CN311
CN312
CN331
CN332
C1356
C1355
R1372
R1373
C1357
C1358
C1362
C1361
C1364
C1363
R1374
C1366
C1370
C1374
C1373
C1369
C1365
C1376
C1375
C1372
C1371
C1368
C1367
C1359
C1360
R1369
R1368
R1370
R1371
C1304
C1305
C1303
D1303
D1304
D1301
D1302
C1301
C1302
KRC109M
10
QQLZ005-R45
10K
2.2
1K
10
5.6K
0.01
QQLZ005-R45
47/50
QQLZ005-R45
1SS133
MTZ30JC
KTA1046/Y/
22K
0.01
2SC2235/OY/
MTZ18JC
10K
2.2
5.6K
47/25
4.7/50
22K
6.8K
MTZ5.1JC
4.7/50
4.7K
3.9K
MTZ22J
KRC109M KRC109M
KRC109M KRC109M
KRC109M
KRC109M
KRC109M
1SS133
1SS133
4.7/50
4.7/50
68
1SS133
QSK109-001
QNB0001-001
QQLZ005-R45
22K
QLZ005-R45
6.8K
22K
6.8K
QSK109-001
QNB0104-001
4.7K
4.7K
KTC3200/GL/
KTC3199/GL/KTA1268/GL/
47/16
10/25
10K
100K
100K
10K
100K
100K
82K
100K
100K
1SS133
4.7K
4.7K
1SS133
QNB0101-001
4.7K
2SD2061/EF/
KTC3200/GL/
KTA1023/OY/
22K
47K
MTZ20JC
1SS133
22/50
220P
0.022
2.7
2.7
0.022
220P
220P
0.022
220P
0.022
2.7
220P
220P
220P
0.022
0.022
0.047
220P
220P
220P
220P
1000P
220P
0.01
0.01
10
10
10
10
6800/63 6800/63
0.01/500
0.1/160
68
1SS133
QSK0109-001QSK0109-001
1SS133
68
68
0.01/500
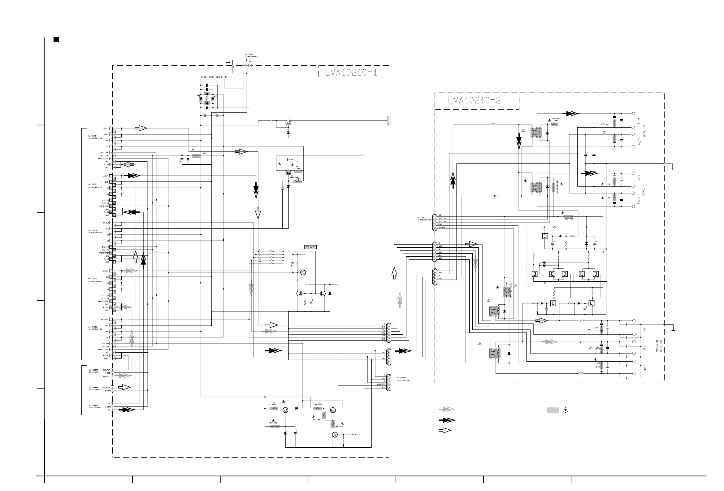
Audio & Speaker terminal section
Sheet 1/8

Related product manuals