EasyManua.ls Logo

JVC RX-8012RSL

JVC RX-8012RSL
141 pages
To Next Page IconTo Next Page
To Next Page IconTo Next Page
To Previous Page IconTo Previous Page
To Previous Page IconTo Previous Page
Loading...
RX-8010RBK/ RX-8012RSL
1-19
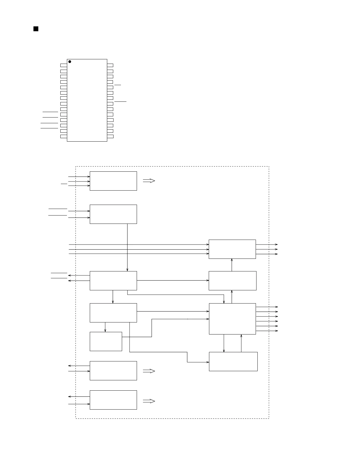
MB90088 (IC203) : On screen display controller
28
27
26
25
24
23
22
21
20
19
18
17
16
15
1
2
3
4
5
6
7
8
9
10
11
12
13
14
AVss
YOUT
VOUT
COUT
CS
SIN
SCLK
TEST
BOUT
ROUT
GOUT
VOB
XD
EXD
YIN
VIN
CIN
AVcc
IOUT
VOC
Vcc
EXS
XS
HSYNC
VSYNC
EXHSYN
EXVSYN
Vss
Dot CLK
OSC
CGROM
Output
Control
Video Signal
OSC
Analog SW
4FSC CLK
OSC
VRAM
Display Memory
Control
NTSC/PAL
Signal OSC
H/V Separate
Serial Input
Control
SCLK
SIN
COUT
YOUT
VOUT
VOB
VOC
IOUT
GOUT
ROUT
BOUT
EXD
XD
EXS
XS
CIN
YIN
VIN
CS
VSYNC
HSYNC
EXVSYN
EXHSYN
Each Block
Each Control, Data
Each Block
1.Terminal Layout
2.Block Diagram

Table of Contents

Related product manuals