EasyManua.ls Logo

JVC RX-8012RSL

JVC RX-8012RSL
141 pages
To Next Page IconTo Next Page
To Next Page IconTo Next Page
To Previous Page IconTo Previous Page
To Previous Page IconTo Previous Page
Loading...
RX-8010RBK/ RX-8012RSL
1-21
1
2
3
5
4
NJU7241F33(IC411) : Voltage regulator
PIN FUNCTION
1. GND
2. VIN
3. VOUT
4. +NC
5. STB
V
+
INPUT
+
V
-
OUTPUT
A OUT
A -IN
A +IN
V
-
1
2
3
4
A
B
(TOP VIEW)
8
7
6
5
V
+
B -IN
B +IN
B OUT
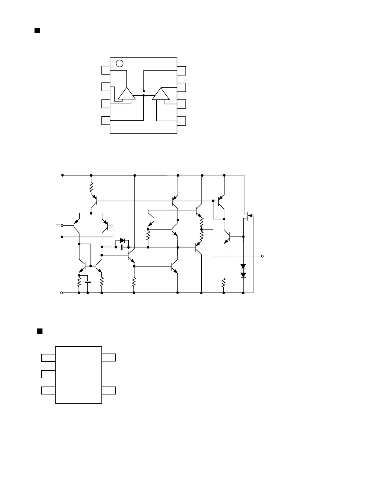
1.Terminal layout
2.Block diagram
NJM4580DD (IC301) : LPF, Mic and H.phone Amp.

Table of Contents

Related product manuals