EasyManua.ls Logo

JVC RX-8012RSL

JVC RX-8012RSL
141 pages
To Next Page IconTo Next Page
To Next Page IconTo Next Page
To Previous Page IconTo Previous Page
To Previous Page IconTo Previous Page
Loading...
RX-8010RBK/ RX-8012RSL
1-26
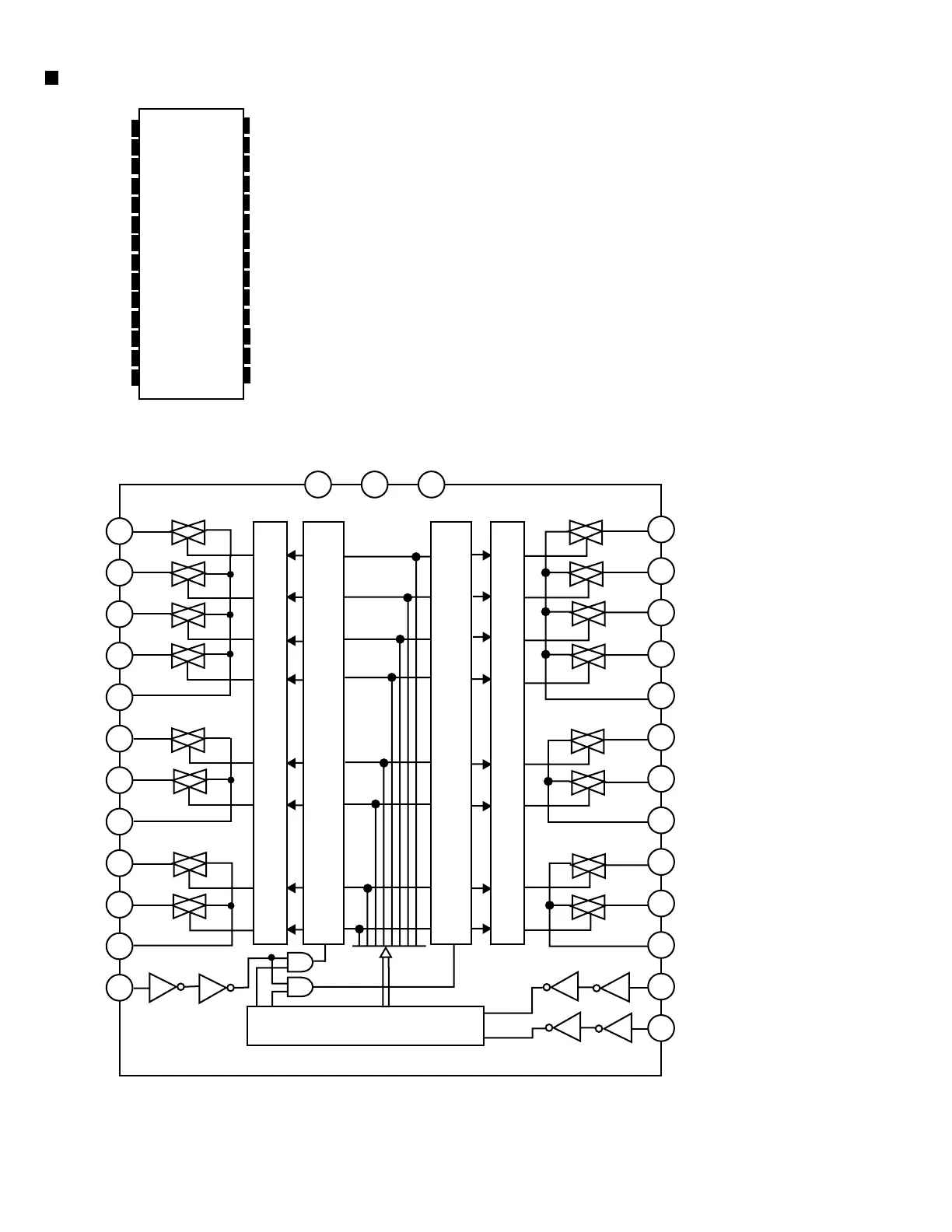
TC9164AF-X (IC302) : Analog switch
1
2
3
4
5
6
7
8
9
10
11
12
13
14
28
27
26
25
24
23
22
21
20
19
18
17
16
15
VSS
L-S1
L-S2
L-S3
L-S4
L-COM1
L-S5
L-S6
L-COM2
L-S7
L-S8
L-COM3
ST
GND
VDD
R-S1
R-S2
R-S3
R-S4
R-COM1
R-S5
R-S6
R-COM2
R-S7
R-S8
R-COM3
DATA
CK
VSS
GND VDD
2
3
4
5
6
7
8
9
10
11
12
13
27
26
25
24
23
22
21
20
19
18
17
16
15
1
14
28
LEVEL SHIFTER
LATCH CIRCUIT
SHIFT REGISTER
L-S1
L-S2
L-S3
L-S4
L-COM1
L-S5
L-S6
L-COM2
L-S7
L-S8
L-COM3
ST
R-S1
R-S2
R-S3
R-S4
R-COM1
R-S5
R-S6
R-COM2
R-S7
R-S8
R-COM3
DATA
CK
LEVEL SHIFTER
LATCH CIRCUIT

Table of Contents

Related product manuals