EasyManua.ls Logo

JVC RX-8012RSL

JVC RX-8012RSL
141 pages
To Next Page IconTo Next Page
To Next Page IconTo Next Page
To Previous Page IconTo Previous Page
To Previous Page IconTo Previous Page
Loading...
ABCD E F G
1
2
3
4
5
2-15
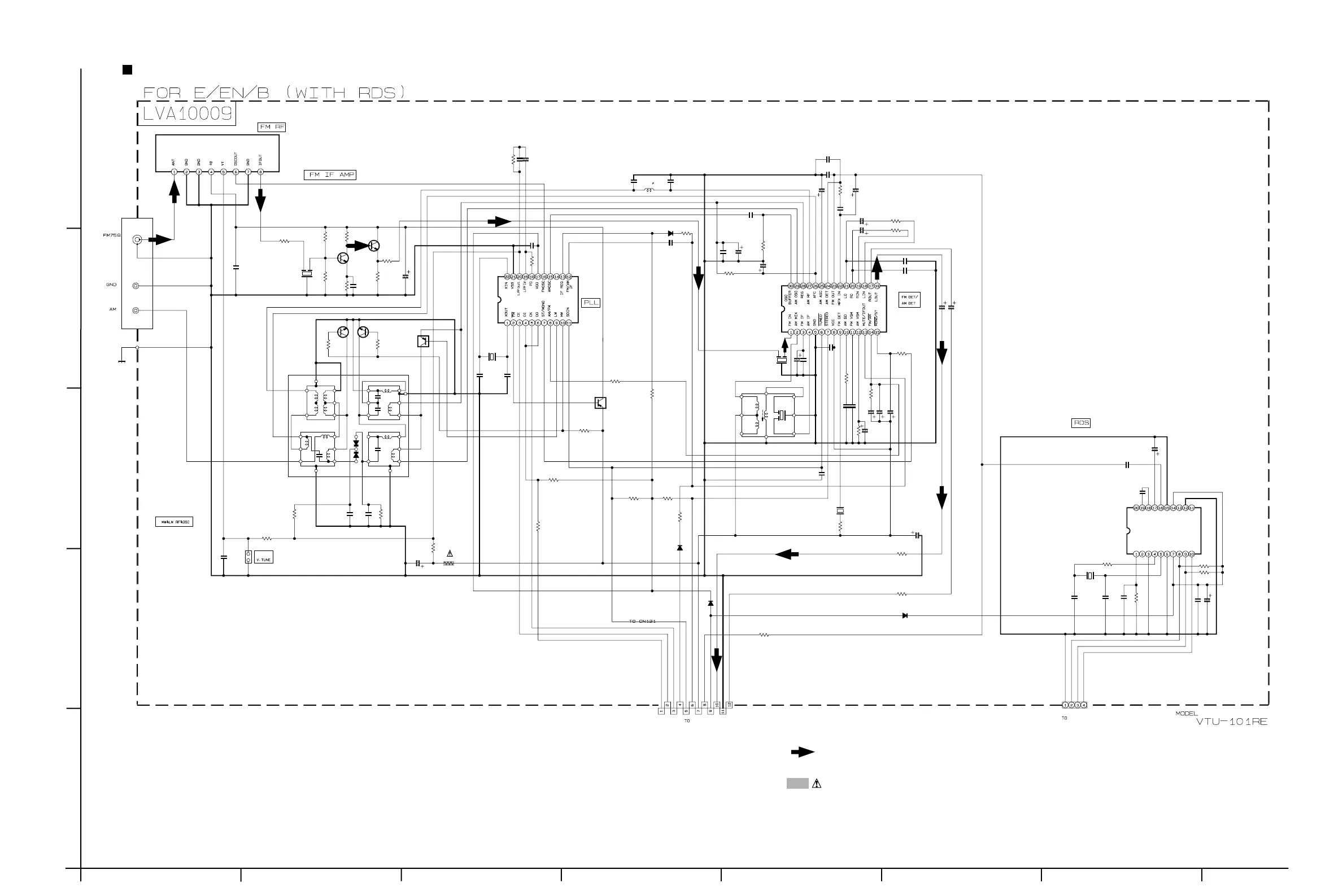
RX-8010RBK/ RX-8012RSL
FM / Tuner signal
Parts are safety assurance parts.
When replacing those parts make
sure to use the specified one.
RF101
Q113
R150
CF103
R109
CF101
R103
Q111
C168
R141
Q102
C111
C103
R129
R130
C130
C121
C112
R128
IC191
T111T111T111T111T111T111T111T111T111
CN111
T111T111T111T111T111
C122
X121
R184
R147
R126
R122
R183
R132
D129
C157
R134
R182
R133
R146
D123
BK001
R193
CF102
C118
C117
C137
C161
R157
C162
C133
C140
R158
C139
R145
C143
C146
R162
C194
C134
C184
R194
R161
C196
R192
C195
D131
C128
R114
T142
C192
C191
X191
R191
L111
C158
C156
C126
T111T111T111T111
Q112
R119
Q121
Q103
TP101TP101
T111T111T111T111T111
CN112
T111T111T111T111T111T111
AT101
C129
R107
R104
R106
R105
C105
R127
C107
IC121
R115
R108
D121
C193
IC102
C135
C136
R142C163
C141
C150
C185
C164
R144
R112
C149
C148
R143
C147
C186
C144
C199
R124
C123
C197
C101
R111
R140
QAU0119-001
DTA114Y
330
QAX0519-001Z
220
QAX0285-001Z
100
KTC3199/GL
1/50
1K
2SC535/BC
0.047
0.022
2.2K
68( 1/4W) F.RES.
100/10
12P
12P
4.7K
SAA6588
QGB2501K2-12
12P
QAX0402-001
10K
3.3K
5.6K
4.7K
10K
39K
1SS133
0.047
1K
10K
3.9K
4.7K
1SS133
10K
QAX0285-001Z
15P
6P
68P
10/16
2.7K
10/16
22/16
0.039
2.7K
0.039
10K
0.022
1/50
1K
0.1
0.0022
100/16
10K
1K
2.2/50
470K
330P
1SS133
0.47/50
1.2K
QQR0973-001
47P
82P
QAX0263-001Z
1K
15
22/16
0.001
100P
QQR0871-001
KTC3199/GL
10K
DTA124E
2SC461/BC
QGB2501K1-04
QNB0014-001
0.001
560
2.7K
1K
390
0.022
8.2K
22/16
LC72136N
100K
3.3K
1SS133
560P
LA1838
0.022
1/50
470.022
0.047
22/16
10/16
0.047
3.3K
4.7k
1/50
0.22/50
5.6k
1/50
10/16
0.047
10/16
2.2K
0.047
0.047
0.01
4.7k
56K
MUTE
ROUT
CK
CE
9V
DATA
DETOUT
STEREO
5.6V
DAVN
LOUT
TUNED
SDA
SCL
GND
D.GND
Tuner section
SHEET
11/11
CN101
sheet 3/11
CN102
sheet 3/11
MRO
MPTH
TCON
OSCO
OSCI
VSSD
VDDD
DAVN
SDA
SCL
LV IN
CIN
SCOUT
Vref
MPX
VSSA
VDDA
AFW
MAP
PSWN

Table of Contents

Related product manuals