EasyManua.ls Logo

JVC RX-8020VBK - Connecting Audio;Video Components; Analog Connections

JVC RX-8020VBK
38 pages
Print Icon
To Next Page IconTo Next Page
To Next Page IconTo Next Page
To Previous Page IconTo Previous Page
To Previous Page IconTo Previous Page
Loading...
HABC DE FG
1
2
3
4
5
2-8
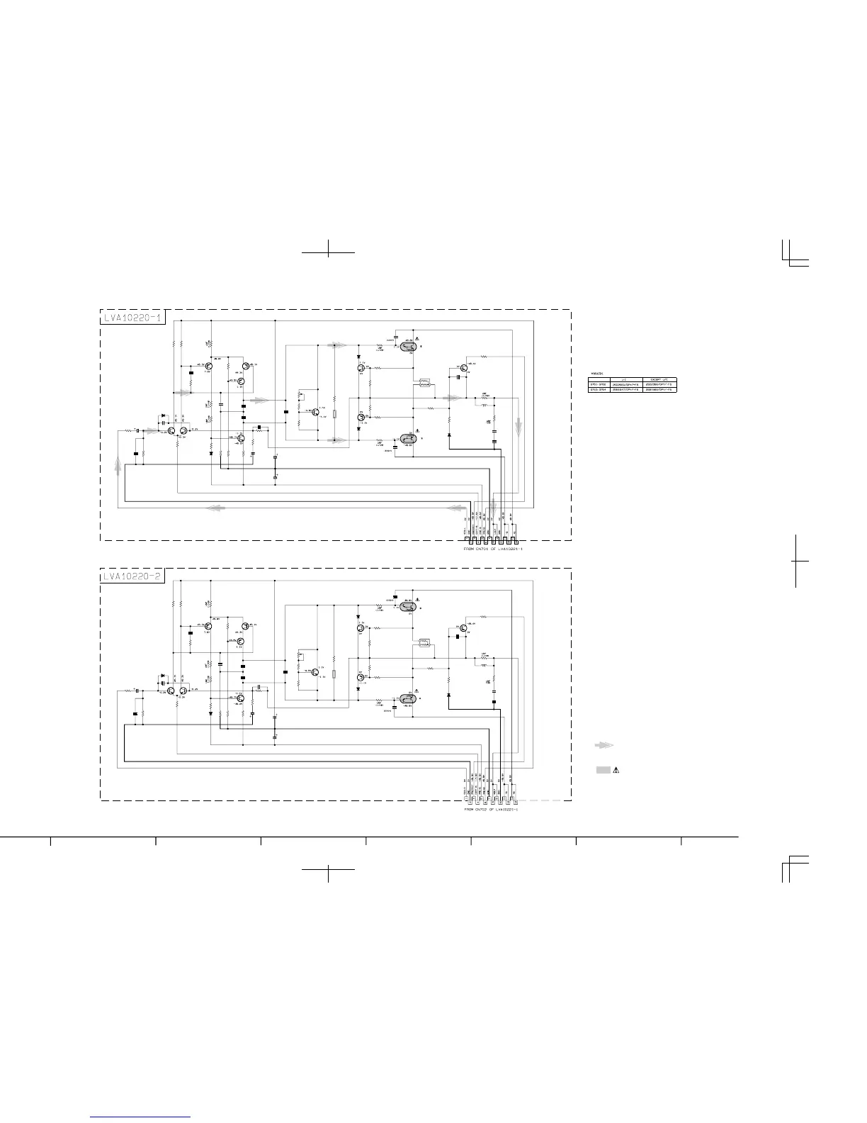
RX-8020VBK RX-8020VBK
SHEET 6/10
Sheet 2/10
Lch amp. board
Rch amp. board
Parts are safety assurance parts.
When replacing those parts make
sure to use the specified one.
Audio amp. section (1/2)
FRONT Signal
Sheet 2/10
CN712
C796
R791
C795
R793
L791
C791
C793
Q763
Q791
Q761
R792
R794
L792
C792
C794
Q764
Q792
Q762
Q782
R782
R784
VR788
C714
C716
Q708
Q781
R781
R783
VR787
C713
C715
Q707
C707
R711
R715
C709
Q703
Q701
R707
R705
D701
C705
C703
R703
R709
R701 C701
C708
R712
R761
R789
R716
C710
Q704
Q702
R708
R706
D773
D771
C751
R771
R773
R775
R777
R763
C753
D702
C706
C704
R704
R779
R710
R795
R702
C702
R762
R790
R787
D774
D772
C752
R772
R774
R776
R778
R764
C754
R780
R796
R788
CN711
C745
TH783
C746
TH784
C720
Q710
Q712
R730
R728
R726
R732
R724
R720
Q706
R718
C718
C719
Q709
Q711
R729
R727
R725
R731
R723
D704
R719
Q705
R717
C717
D703
C741
C742
R733
C711
R734
Q773
Q771
C712
R797
D791
Q774
Q772
R798
D792
R722
R721
0.022
33
0.022
10
1u
0.047
0.047
KTA1268/GL/
33
10
1u
0.047
0.047
KTA1268/GL/
2SD637/QR/
390
620
500
68p
68p
KTA1268/GL/
2SD637/QR/
390
620
500
68p
68p
KTA1268/GL/
100/16
620
100k
10p
2SC2240-BL/AB/
2SD2240-BL/AB/
2k
2k
1SS133
100P
100p
100k
9.1k
2.2k
10/35
100/16
620
10
270
100k
10p
2SC2240-BL/AB/
2SC2240-BL/AB/
2k
2k
1SS133
1SS133
47p
390
390
200
200
10
47p
1SS133
100p
100p 100k
0.22( 7W)
9.1k
1k
2.2k
10/35
10
270
47k
1SS133
1SS133
47p
390
390
200
200
10
47p
0.22( 7W)
1k
47k
47/100
QAD0012-202
47/100
QAD0012-202
0.0047MY
KTA1268/GL/
KTC3200/GL/
390
33k
1.5K
390
390
10k
KTA1268/GL/
5.6k
22P( 500V)
0.0047MY
KTA1268/GL/
KTC3200/GL/
390
33k
1.5k
390
390
1SS133
10k
KTA1268/GL/
5.6k
22P( 500V)
1SS133
47/100
47/100
220
0.01
220
KTA1268/GL/
KTC3200/GL/
0.01
15k
1SS133
KTA1268/GL/
KTC3200/GL/
15k
1SS133
150
150

Other manuals for JVC RX-8020VBK

Related product manuals