EasyManua.ls Logo

JVC SR-DVM700EU - Page 59

JVC SR-DVM700EU
119 pages
Print Icon
To Next Page IconTo Next Page
To Next Page IconTo Next Page
To Previous Page IconTo Previous Page
To Previous Page IconTo Previous Page
Loading...
A
1
2
3
4
5
BCD EFG
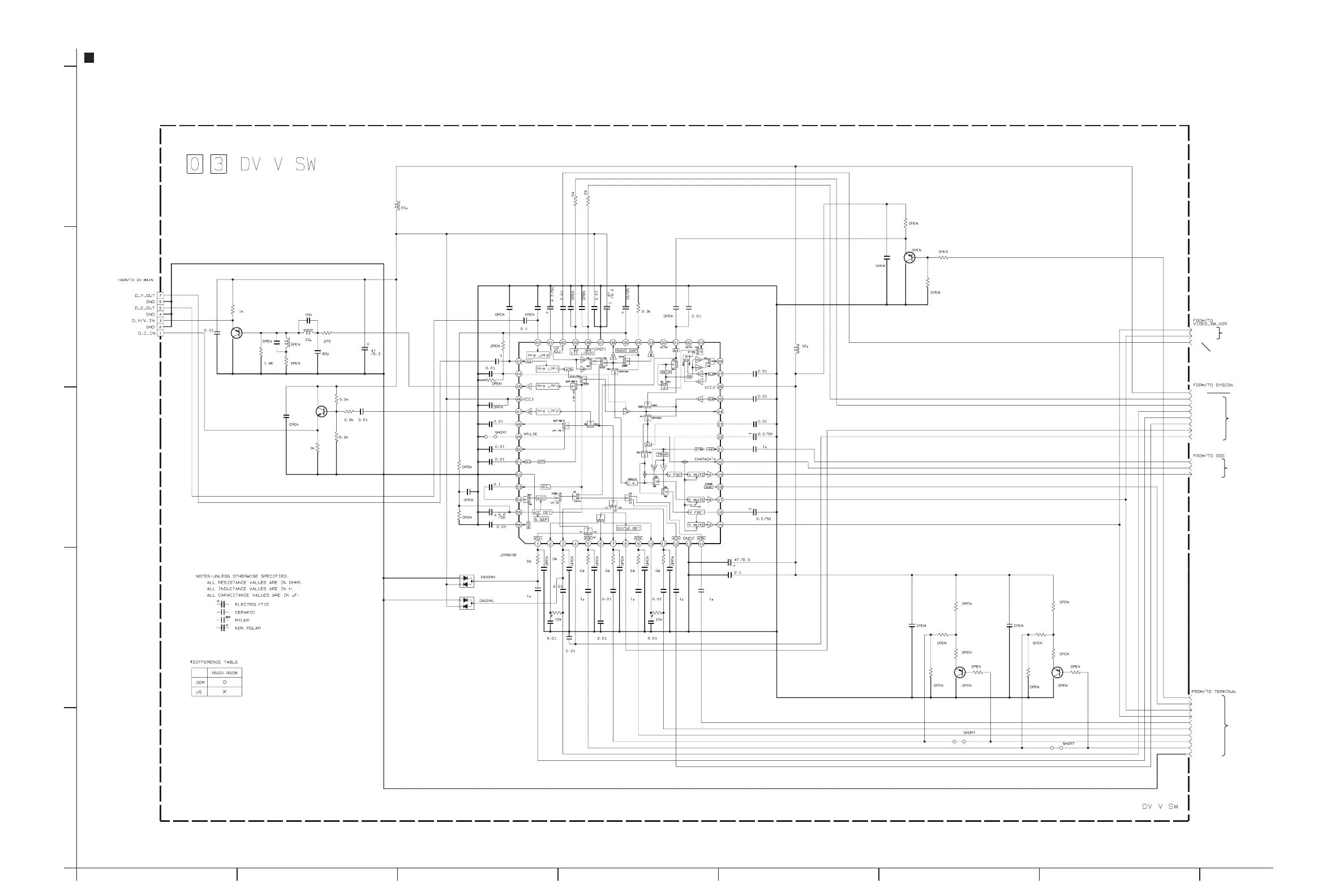
IC501
CN501
P.MUTE_DV[L]
C518 C519
REAR_V_IN
FRONT_V_IN
R515
C520
C527
C552
C551
C545
C505
C506
C510 C515
C516
C523
FRONT_Y_IN
B501
TO_DV_DUB_Y
C543
REAR_C_IN
D501
C535
L502
WIDE_DET_DV
L501
C501
C502
fsc
R513
D502
FRONT_C_IN
C536
C521
C524
R504
REAR_Y_IN
R503
TO_DV_DUB_C
C508
C_OUT_BIAS
Q513
R501
C513
R507
CHARA_DATA
V_FROM_OSD
R509
V_TO_OSD
DV_C_OUT
C547
C512
DV_Y_OUT
I2C_DATA2
I2C_CLK2
R532
R533
R531
C561
C562
TU_VIDEO
C538
R502
Q512
R558
R557
R560
R559
R556
Q505
R555
Q511
R553
C557
R552
R551
C503
R505
R514
R554
C566
B503
B502
C567
DV_C_OUT
DV_Y_OUT
C541
GND
R508
C522
C525
C526
C537
C539
C546
R510
C540
R516
C544
R542
C555
Q503
R518
R529
R519
L503
C556
C548
C550
C549
L504
R521
R527
R528
R526
SW5V
C534
C531
C532
C533
C528
C530
C504
C507
C514
C517
C509
R511
R512
C511
C529
p10724001a_rev0
SHEET 9
DV video switch section
TO CN3501
SHEET 20
TO
SHEET 10
TO
SHEET 8
TO SHEET 8
TO
SHEET 13
TO
SHEET 8
TO
SHEET 11
2-21 2-22

Related product manuals