EasyManua.ls Logo

JVC SR-DVM700EU - Page 60

JVC SR-DVM700EU
119 pages
Print Icon
To Next Page IconTo Next Page
To Next Page IconTo Next Page
To Previous Page IconTo Previous Page
To Previous Page IconTo Previous Page
Loading...
A
1
2
3
4
5
BCDEFG
R731
R733
GND
R732
Q713
GND
C775
FRONT_Y_IN
GND
Q712
SW5V
FRONT_C_IN
Q711
R758
I2C_DATA_A/V
R757
R753
R752
I2C_CLK_A/V
R754
R759
R756 R751
R755R760
C778 C777
B703
B704
REAR_Y_IN
FRONT_V_IN
WIDE_DET_VDR
VDR_C_OUT_BIAS
fsc
R702 R708
TU_VIDEO
DV_C_OUT
DV_Y_OUT
REAR_C_IN
fsc
REAR_V_IN
IC701
C708
C718 C719
X701
C727
Q706
C745
C705
C706
C710 C715
C716
C723
R745
B701
R744
C743
C735
L702
L701
C701
C702
C736
C721
C724
R703
C704
R701
C713
R707
C768
R709
C707
C769
R747
C747
C714 C717C709
C712
R746
Q705
R742
C720
L706
C771
R711
R712
R743C767L707
C738
B702
R748
Q701
C772
CN701
C765
C703
R706
C711
C741
C722
C725
C726
R704
C737
C739
C746
R710
C740
R717
C751
Q703
R718
R729
R719
L703
C756
C748
C750
C749
L704 R721
R727
R728
R726
C755
D702
D701
C734
C731
C732
C733
C728
C730
C729
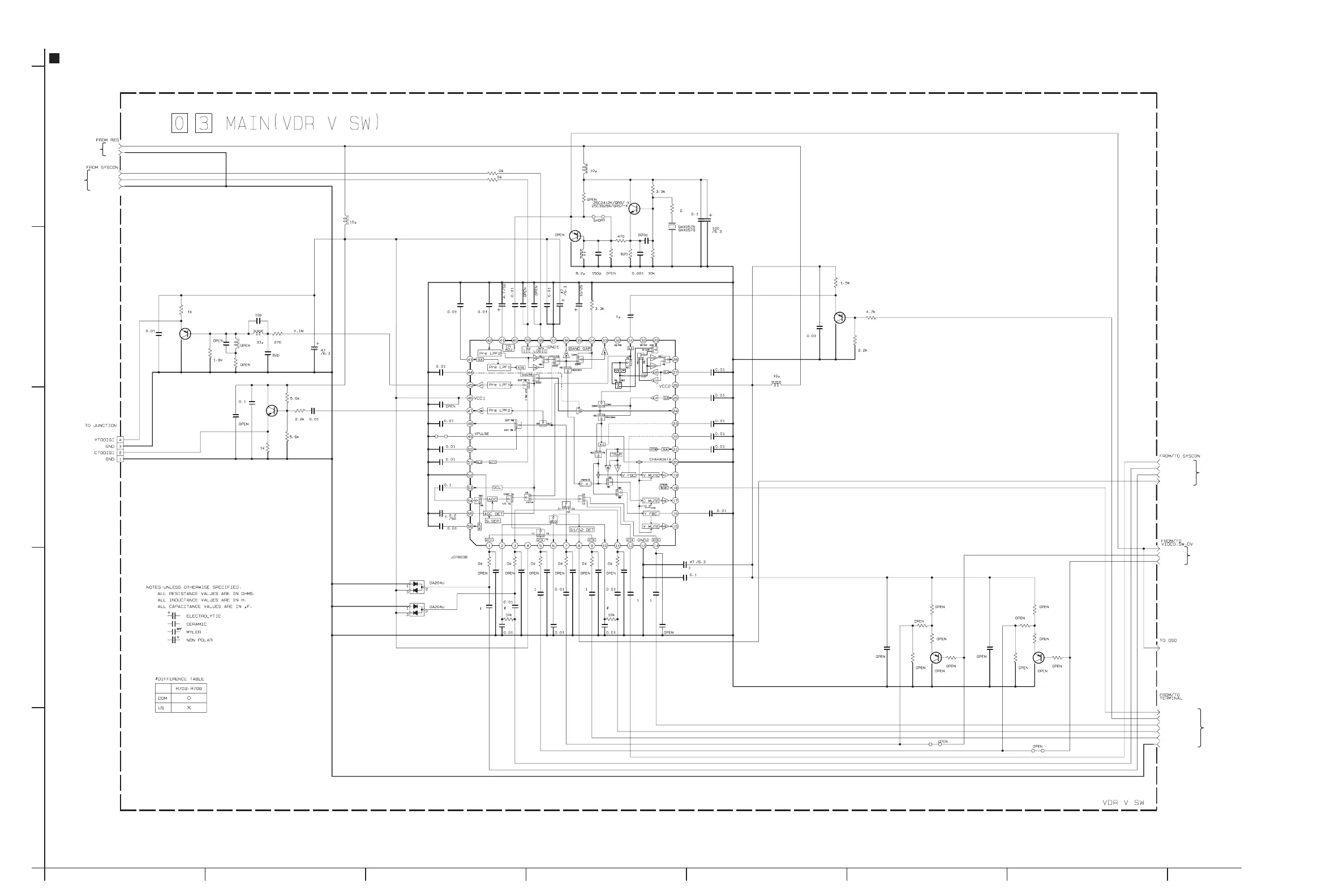
p10723001a_rev0
SHEET 10
Video switch section
TO
SHEET 1
TO SHEET 13
TO CN7123
SHEET 23
TO SHEET 13
TO SHEET 9
TO SHEET 8
TO SHEET 11
2-23 2-24

Related product manuals