EasyManua.ls Logo

JVC SR-DVM700EU - VIDEO (2) Section

JVC SR-DVM700EU
119 pages
Print Icon
To Next Page IconTo Next Page
To Next Page IconTo Next Page
To Previous Page IconTo Previous Page
To Previous Page IconTo Previous Page
Loading...
Y
C
Y
C
WF8
WF9
C
Y
C
C
WF11
WF12
WF13
WF14
WF15
WF16
WF17
WF18
Y
C
C
Y
Y
C
Y
C
Y
C
Y
Y
C
Y
C
Y
C
C
Y
C
Y
C
Y
Y
C
C
Y
C
Y
C
Y
C
Y
C
Y
C
Y
C
Y
WF10
Y
C
Y
C
C
C
Y
Y
C
Y
Y
Y
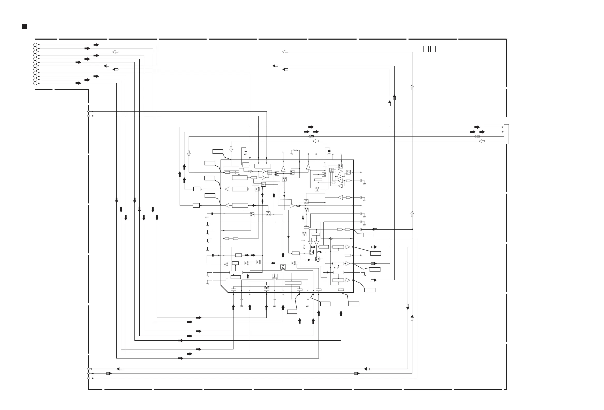
IC501
( Y/C SWITCH DV )
19
28
27
25
17
15
24
23
21
20
18
43
45
47
48
49
50
51
52
53
54
56
14
12
1110
97
6
85
3
21
42
41
40 39 38
36
34 33 32 30 2931
+
NOT
USED
55
16
22
Q503
BUF
Q505
BUF
Pre LPF2
Pre LPF1
Pre LPF1
Pre LPF2
A3
A2
A1
D16
D7&D8
BIAS
ATT5
ATT4
BB
BB
BB
BB
ATT3
ATT8
CL6
N.C.
PB
REC
A4
A5
V3
V4
PB
*
D15
PB
*
CONV
REC
CONV
CONV
CL5
CL4
A14
A11
A10
A13
A12
PB
PB
PB
REC
REC
REC
EQ
REC
PB
VHS
S
-
VHS
SP/EP
EE/PB
CL3
BF1
N/S
-
LPF
BF2
REC
REC
CONV
CONV
DIGI/PB
DIGI/PB
DIGI
DIGI
PB
PB
*
CONV
A9
A8
ATT9
CLK
DATA
EXT PB Y
EXT PB Y
VCA
REC
PB
C2
C1
C3
Y1 Y3
V5
V3/V4
Y2
ATT2
ATT1
ATT6
Y/C IN
PB
REC
COMP IN
ATT7CL1
EXT PB C
EXT PB C
A6
A7
CL2
CR
ADJ
IIC
LOGIC
VPULSE
GCL
C.K.
AGC
AGC DET
S. SEP
S1/S2 DET
Y FBC
Y MUTE
C MUTE
V MUTE
V FBC
TRAP
CHARADATA
3
4
2
1
6
5
7
TO_DV_DUB_Y
REAR_V_IN
REAR_Y_IN
DV_Y_OUT
TO_DV_DUB_C
V_FROM_OSD
REAR_C_IN
8
DV_C_OUT
10
11
FRONT_C_IN
FRONT_Y_IN
12
FRONT_V_IN
NOT
USED
NOT
USED
NOT
USED
NOT
USED
NOT
USED
NOT
USED
9
fsc
MAIN (VIDEO SW VDR)
0
3
TO
ON SCREEN
V_TO_OSD
DV_V_OUT
CN501
D_Y/V_IN
D_Y_OUT
D_C_IN
D_C_OUT
TO
DV ( VIDEO OUT )
CN3501
TO
SYSCON
I2C_DATA2
I2C_CLK2
CHARADATA
5
7
3
1
VIDEO (2) Section
2-71 2-72

Related product manuals