EasyManua.ls Logo

JVC SR-DVM700EU - DV Drum Section

JVC SR-DVM700EU
119 pages
Print Icon
To Next Page IconTo Next Page
To Next Page IconTo Next Page
To Previous Page IconTo Previous Page
To Previous Page IconTo Previous Page
Loading...
IC4001
2F
REC/PB AMP
25
CN4001
6
1S
57
AGC_BUFF_OUT
7
REC_DATA
X2
Y2
X1
Y1
24
20
3
7
2
1F
2S
4
7
1
2
3
6
3
2
IC2001
ADVIN0
168
19
RECDATA
100
OSC24I
OSC24O
X2003
(24.576MHz)
251
30
IC3701
16 bit
ADC&DAC
8
AINL
SDTO
CN3701
3
5
1
7
DV_A_REC(R)
DV_A_PB(R)
A/D
D/A
SDTI
AINR
AOUTL
AOUTR
9
3
2
15
16
AIDAT1
112
AODATA
248
TO
MAIN
(AUDIO I/O)
CN2601
AMP
IC3702
IC3703
IC3001
CSO0 - CSO3
4
DCO0 - DCO3
26 - 29
YSO0 - YSO3
4
DYO0 - DYO3
32 - 35
CSI0 - CSI3
4
DCI0 - DCI3
38 - 41
YSI0 - YSI3
4
DYI0 - DYI3
42 - 45
IC3501
CN3501
CLAMP
LPF
ATT
1
9
BPF ATT
19
14
1
3
7
D_Y_OUT
D_C_OUT
D_Y/V_IN
D_C_IN
TO
MAIN
(VIDEO SW VDR)
CN501
2
18
Y_GCTL
5
VYIN
12
CIN
18
YSOUT
7
COUT
80
17
49 - 51,
55
SDIN, SCLK,
CS, RST
48, 58
SDOUT, CSYNC
TO
DV MSD
DV_A_PB(L)
DV_A_REC(L)
CLK
54
IC3101
IC3102
VCO
TBC_SDI
TBC_CLK
TBC_RST
TBC_CS
TBC_VD
TBC_SDO
BRSI0 - BRSI3
YSI0 - YSI3
BRSO0 - BRSO3
YSO0 - YSCO3
190,191
116, 117
255, 256
MUSIN_EVR
AGC_CTL
ATF_GAIN
REC_GAIN
M_VCOCTL
FSPLLCTL
C_GCTL
AIDAT0
185
189, 254
41, 42
120, 192
193, 194
257, 258
CLK27I
38
CLK27A
9
REC_CLK
RECCLK
174
PHYTPA
82
PHYXTPA
226
PHYTPB
156
PHYXTPB
286
IC4002
1
2
4
2
51
60
10
IC3151
19
7
18
6
4
5
DUMP_CTL
AGC_GAIN
ATF_GAIN
RECCADJ
DUMP_CTL
AGC_GAIN
ATF_GAIN
RECCADJ
A05
A06
A02
A01
16
15
LD
CLK
LI
2
3
A03
A04
M_VCOCTL
DAC_CLK
DAC_CS
DAC_DATA
A07
A08
Y_GCTL
C_GCTL
8 bit 2ch
AD/DA CONV.
AD CONV.
VIDEO AMP
DV MAIN (DV MAIN, DV I/O, DV VVIDEO OUT, AUDIO AD/DA, DV PRE/REC)
5
0
BUF
Q3521
BUF
Q3522
BUF
Q3111~Q3114
BUF
Q3131~Q3133
CN2002
2
4
1
5
TPA+
TPA-
TPB+
TPB-
TO
JUNCTION
(VIDEO)
CN7127
X3101
(27kHz)
BUF
Q3102
BUF
Q3101
FSPLLCTL
23
253
7
6
A07
A08
Y_GCTL
C_GCTL
CN1505
3
1
CN7401
2
4
D-SUB
CONN.
5
0
D-SUB
CONNECTOR
J7401
WF1
Y
C
Y
C
WF2
Y
C
Y
C
WF3
WF4
WF6
WF5
WF8
WF7
L
R
L
R
L
R
Y
C
Y
C
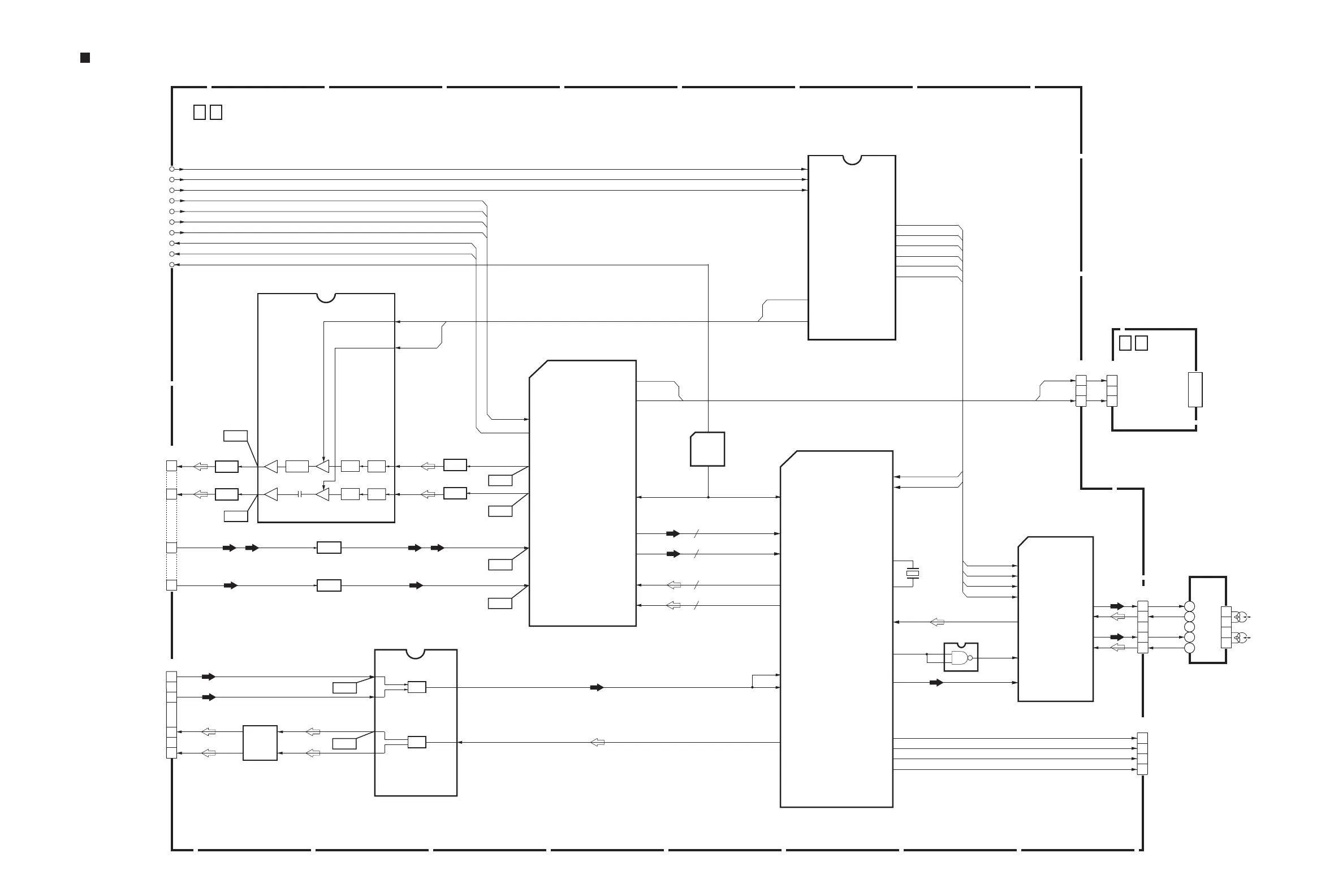
VIDEO (DV) Section
DV Drum
2-77 2-78

Related product manuals