EasyManua.ls Logo

JVC TM-1500PS - Page 24

JVC TM-1500PS
40 pages
Print Icon
To Next Page IconTo Next Page
To Next Page IconTo Next Page
To Previous Page IconTo Previous Page
To Previous Page IconTo Previous Page
Loading...
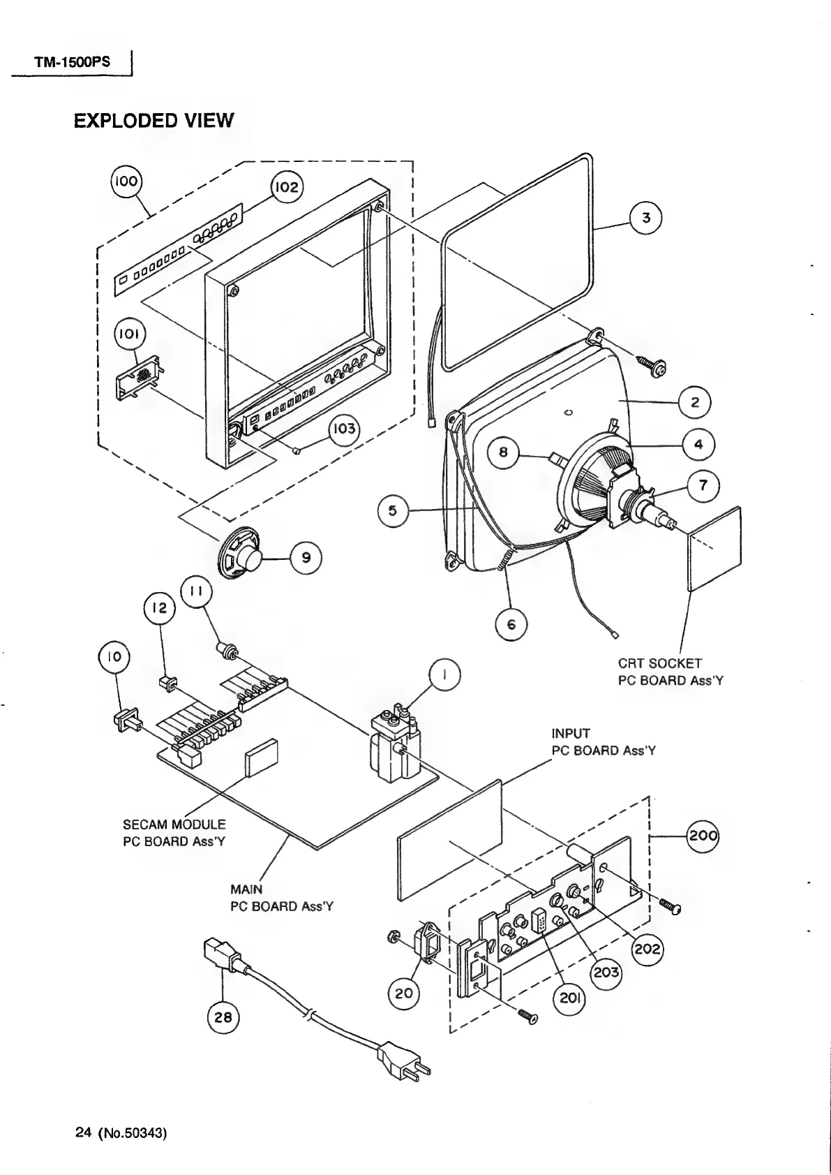
TM-1500PS
EXPLODED
VIEW
CRT
SOCKET
PC
BOARD
Ass’Y
INPUT
PC
BOARD
Ass’Y
PC
BOARD
Ass’Y
MAIN
SECAM
MODULE
PC
BOARD
Ass’Y
24
(No.50343)

Related product manuals