EasyManua.ls Logo

K-Rain 2114 - Controller Diagram

Default Icon
12 pages
Print Icon
To Next Page IconTo Next Page
To Next Page IconTo Next Page
To Previous Page IconTo Previous Page
To Previous Page IconTo Previous Page
Loading...
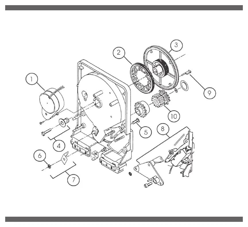
CONTROLLER DIAGRAM
07

Related product manuals