EasyManua.ls Logo

Kaisai KHC-12RY3 - Page 84

Default Icon
Print Icon
To Next Page IconTo Next Page
To Next Page IconTo Next Page
To Previous Page IconTo Previous Page
To Previous Page IconTo Previous Page
Loading...
20
21
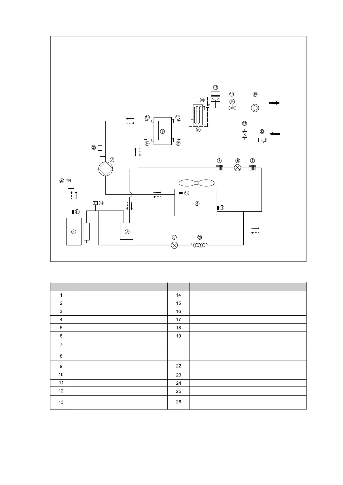
Pozycja Pozycja
Opis Opis
Sprężarka
Czujnik temperatury wlotu czynnika chłodniczego (rury cieczy)
Czujnik temperatury wylotu czynnika chłodniczego (rury gazu)
Czujnik temperatury wody wychodzącej
Czujnik temperatury wlotu wody
Zawór automatycznego usuwania powietrza
Naczynie wzbiorcze
Pompa obiegu
Zawór bezpieczeństwa
Filtr typu Y
Przełącznik wysokiego ciśnienia
Przełącznik niskiego ciśnienia
Czujnik ciśnienia
Kapilara
Wymiennik ciepła po stronie powietrza
Elektroniczny zawór rozprężny
Zawór elektromagnetyczny
Filtr
Grzałka dodatkowa IBH
Czujnik przepływu
Czujnik gazu wylotowego
Czujnik temperatury zewnętrznej
Wymiennik ciepła po stronie wody
(płytowy wymiennik ciepła)
Czujnik parowania podczas grzania
(czujnik skraplania podczas chłodzenia)
Separator gazu i cieczy
Zawór czterodrogowy
ZAŁĄCZNIK$RELHJczynnika chłodniczego
Wylot
Wlot
Chłodzenie
Grzanie
84

Table of Contents

Related product manuals