EasyManua.ls Logo

Kampmann 30056 - 11 Wiring Diagrams

Kampmann 30056
Print Icon
To Previous Page IconTo Previous Page
To Previous Page IconTo Previous Page
Loading...
clock thermostat, type 30056/146910
Page 20
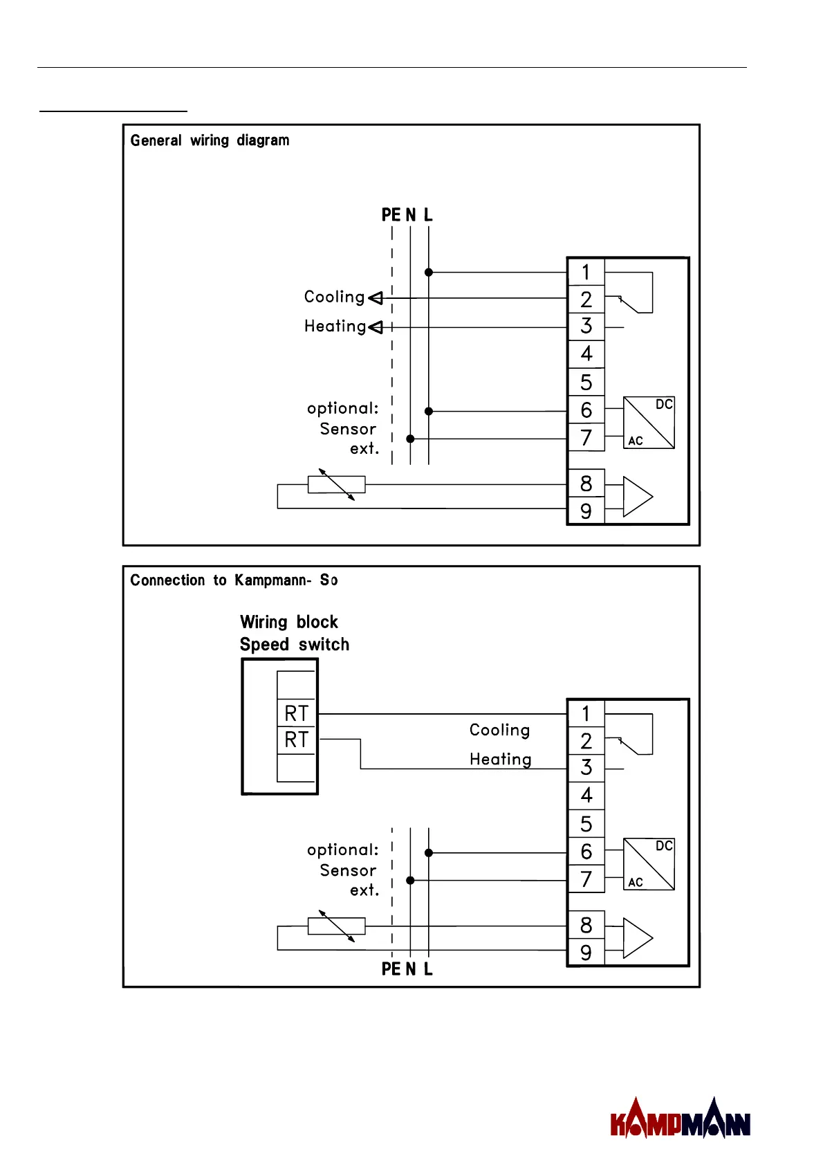
11. Wiring diagram
Clock thermostat
Type: 196000030056
Clock thermostat
Type: 196000030056
Subject to modification
30056/146910
30056/146910