EasyManua.ls Logo

KeepRite K40-CU-IM-13 - Page 14

KeepRite K40-CU-IM-13
36 pages
Print Icon
To Next Page IconTo Next Page
To Next Page IconTo Next Page
To Previous Page IconTo Previous Page
To Previous Page IconTo Previous Page
Loading...
14
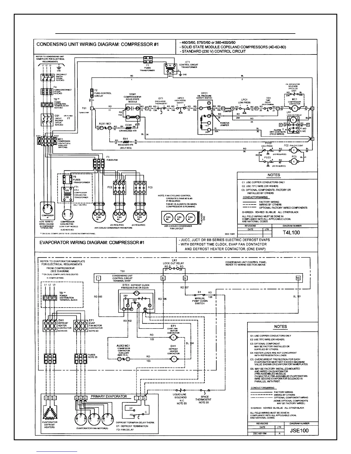
Electrical Wiring Diagram – Vertical Air Flow Condensing Units

Related product manuals