EasyManua.ls Logo

KeepRite K40-CU-IM-13 - Suction Line Velocity and Traps; Double Riser Construction

KeepRite K40-CU-IM-13
36 pages
Print Icon
To Next Page IconTo Next Page
To Next Page IconTo Next Page
To Previous Page IconTo Previous Page
To Previous Page IconTo Previous Page
Loading...
16
At the temperatures encountered in the condenser, receiver and liquid line a certain amount of oil is always
being circulated with the refrigerant through the system by the compressor. However, at the evaporator
temperature, and with the refrigerant in a vapor state, the oil and refrigerant separate. This oil can only be
returned to the compressor by gravity or by entrainment in the suction gas. Roof installations leave no
alternative but by entrainment for oil return, so suction gas velocity and correct line sizing to maintain this
velocity are imperative. Care must be taken not to oversize the suction line in the desire for maximum
performance.
Gas velocity in vertical suction lines must not be less than 1,000 fpm (5 m/s) and preferably 1,250 to
1,500 fpm (6 to 8 m/s).
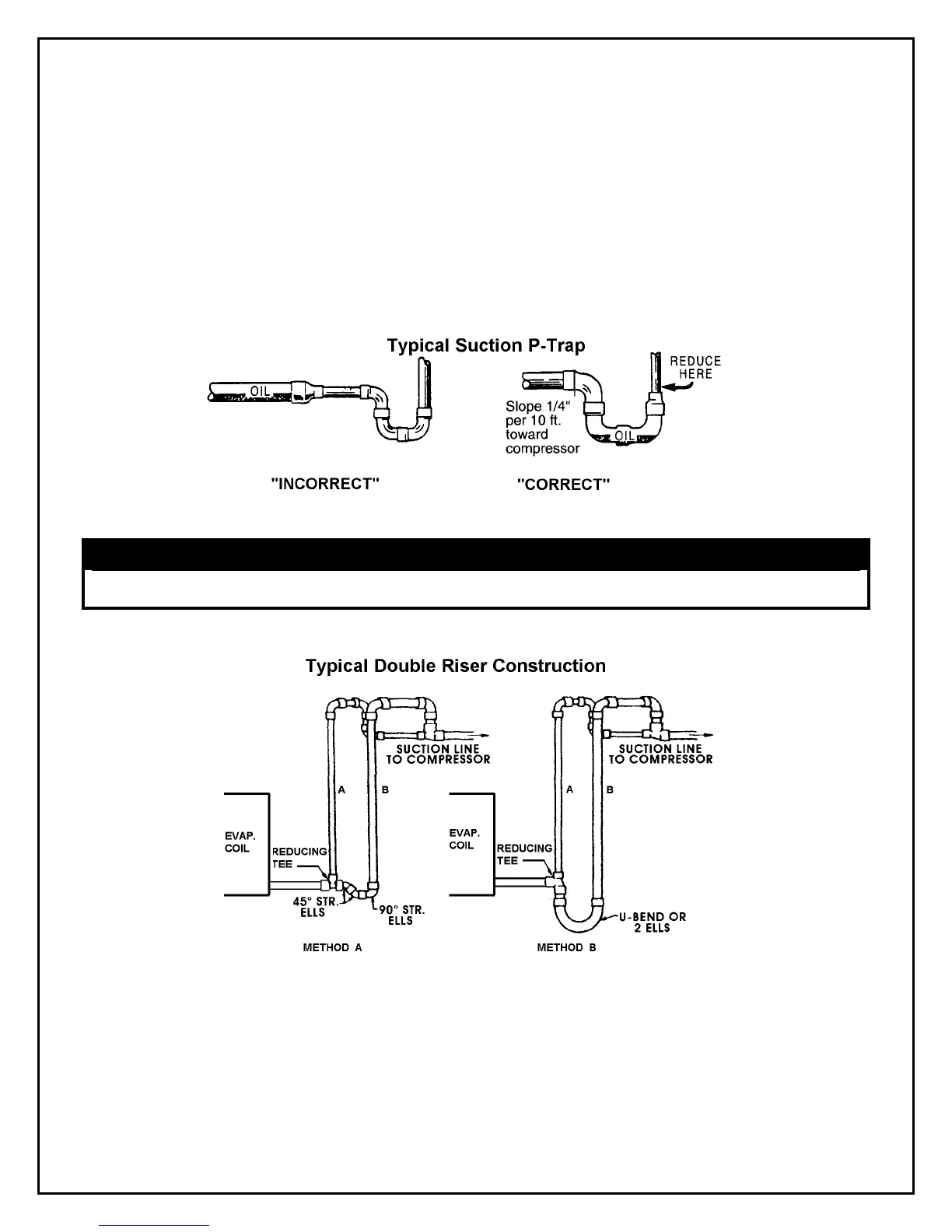
Important: A suction trap must be installed at the base of all suction risers of four (4) feet or more in order to
trap oil and allow entrainment in the suction gas.
IMPORTANT PIPING NOTE
If steps of capacity control are supplied on a compressor, provisions must be made for oil return by sizing
suction risers to maintain adequate gas velocities at reduced refrigerant flow.
During the lower capacity running mode (compressor capacity control energized) oil will collect in the elbow or at
U-bend below pipe “B”. This will divert the gas and oil to flow up the smaller pipe “A” at a higher velocity.
IMPORTANT: When welding service valves or any components that may be damaged by heat, manufacturer’s
installation instructions must be adhered to. Wrapping components with a wet cloth will help to prevent damage
from heat.
IMPORTANT: All suction lines outside of the refrigerated space must be insulated.

Related product manuals