EasyManua.ls Logo

KEF HTB2SE - Page 9

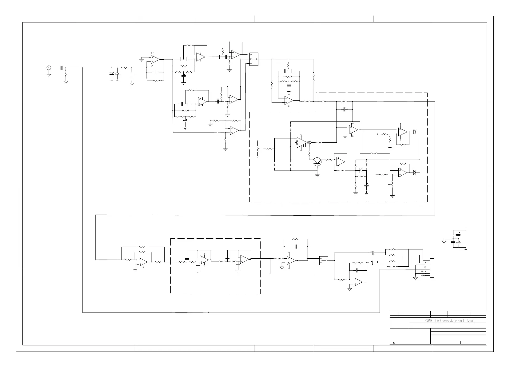
KEF HTB2SE
12 pages
Print Icon
To Next Page IconTo Next Page
To Next Page IconTo Next Page
To Previous Page IconTo Previous Page
To Previous Page IconTo Previous Page
Loading...
1 2 3 4 5 6 7 8
A
B
C
D
8
7654321
D
C
B
A
Title:
ORIGINAL
DRAWN BY DATEISSUE DESCRIPTION
Sheet of
APPROVED BY
GPE INTERNATIONAL LTD.
*3(,QWHUQDWLRQDO/WG
COPY MODEL:
PART NO:
SCH FILE:
JOB FILE:
REV˖c
kht3005
PRE.AMP QF Huang
ROHS
1 1
PRE.SCH
HTB2SE
2007.05.21
1725-824A+0001
29033
R3
10K
C3
100P
R2
10K
-12V
+12V
D2
1N4148
D1
1N4148
+15V -15V
R1
10K
LINE INPUT
3
2
1
84
U1A
BA4560
C2
100P
C18
100u/25V
+12V
-12V
C21
100u/25V
TO AMP
C28
100P
C27
100P
5
6
7
U8B
BA4560
3
2
1
8 4
U8A
BA4560
R51
10K
R54
10K
R52
10K
1
2
3
4
5
6
7
8
CON2
CON8
-12V
+12V
C29
10u/25V
C30
10u/25V
R53
10k
C19
100n
C20
100n
Vin
OUT+
OUT-
GND
CON1
R33
10K
R41
15K
-12V
C22
1u/50V
+12V
-12V
R34
10K
R28
100K
3
2
1
8 4
U5A
BA4560
5
6
7
U5B
BA4560
3
2
1
84
U6A
BA4560
R43
5k1
+12V
-12V
5
6
7
U6B
BA4560
R39
100K
R36
510K
R37
3K3
R35
DNF
R40
6K2
+12V
-12V
R42
18K
+12V
R38
4K7
R30
100
R29
100
R32
20K
R27
4K3
AGC
R26
120K
-12V
+12V
4
2
3
1
5
8
7
116
U11A
LM13700
R25
110k
B
C E
Q1
3906
D3
1N4148
D4
1N4148
D5
1N4148
1
2
3
VR1
20K
C15
DNF
C23 68N
C16
DNF
C24
22n
C26 22n
C25 68n
C11
220n
C10
220n
R16
18K
R47
6k8
R48
30k
R50
30k
R49
6k8
R22 DNF
R14
1k2
R15
47k
R20
DNF
R21
DNF
R13
4K7
1
2
3
4 8
U3A
BA4560
1
2
3
4 8
U7A
BA4560
7
6
5
U7B
BA4560
2
1
3
S2
SW-SPDT
1
2
3
4
S1
SW-3
R19
DNF
+12V
-12V
LP Filter @200HZ
Limiter
3 position side
2 position side
1
2
3
4 8
U4A
BA4560
+12V
-12V
1-B
1-D
1-C
1-A
2-A
2-C
2-B
+12V
-12V
C1
10u/25V
VIN
1
2
3
VR2
1K
C12
2.2u/50V
R31
10K
C17
DNF
C7
220n
C6
220n
R10
18K
R8
1K
R9
68K
R7
4K3
1
2
3
4 8
U2A
BA4560
C5
3.3u/50V
C14
470n
C13
470n
R17 2K4
R18
36k
7
6
5
U3B
BA4560
C9
470n
C8
330n
R11 10k
R12
22k
7
6
5
U2B
BA4560
7
6
5
U1B
BA4560
R5
47K
R4
10K
R6
27K
C4
47N
R24
DNF
R23
0R
R102
DNF
7
6
5
U4B
BA4560
-12V
R101
DNF
R48
DNF
R45
DNF
R44
0R
R55
0R
R56
NDF
R57
0R
R58
NDF
C101
1n
R103
100K

Related product manuals