EasyManua.ls Logo

KEF PSW3500 - Power Amp Schematic

KEF PSW3500
28 pages
Print Icon
To Next Page IconTo Next Page
To Next Page IconTo Next Page
To Previous Page IconTo Previous Page
To Previous Page IconTo Previous Page
Loading...
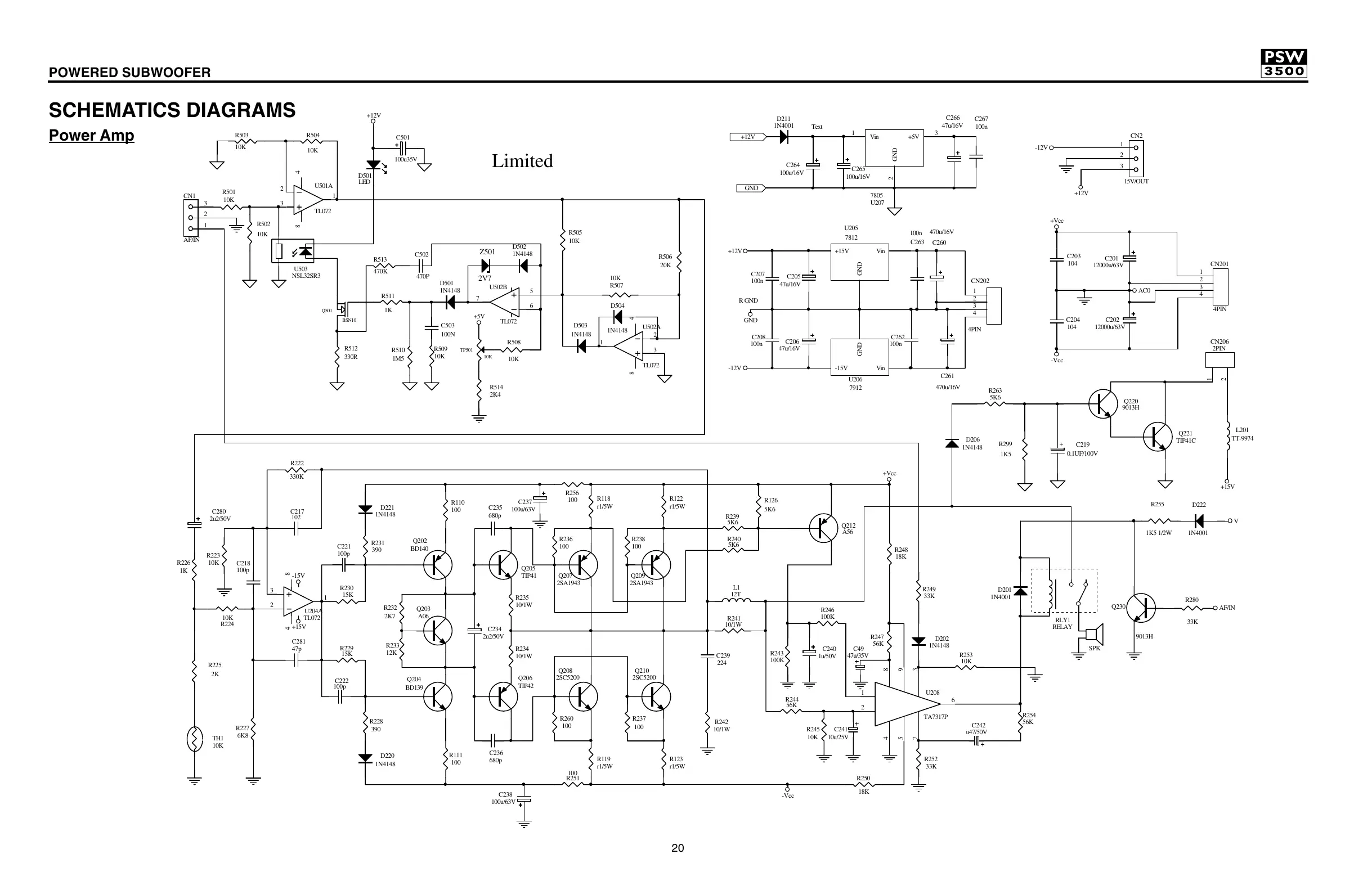
POWERED SUBWOOFER
20
SCHEMATICS DIAGRAMS
Power Amp
C207
100n
C208
100n
C203
104
C204
104
R GND
C201
12000u/63V
C202
12000u/63V
C205
47u/16V
C206
47u/16V
R223
10K
R224
10K
R227
6K8
R230
15K
R229
15K
R232
2K7
R233
12K
R231
390
R222
330K
R110
100
R111
100
R251
100
R256
100
R235
10/1W
R234
10/1W
R236
100
R118
r1/5W
R242
10/1W
R260
100
R119
r1/5W
Q203
A06
Q204
BD139
Q205
TIP41
Q208
2SC5200
Q202
BD140
Q206
TIP42
Q207
2SA1943
C221
100p
C217
102
C239
224
R228
390
D221
1N4148
C235
680p
D220
1N4148
C236
680p
R241
10/1W
L1
12T
C281
47p
C238
100u/63V
C234
2u2/50V
C237
100u/63V
C222
100p
1
2
3
4
5
6
7
8
9
U208
TA7317P
R244
56K
R245
10K
C241
10u/25V
R254
56K
R252
33K
R250
18K
C242
u47/50V
R248
18K
R247
56K
C49
47u/35V
R246
100K
R243
100K
C240
1u/50V
+15V
-15V
SPK
D201
1N4001
R255
1K5 1/2W
Q212
A56
R249
33K
D202
1N4148
3
2
1
84
U204A
TL072
Vin
GND
+15V
U205
7812
Vin
GND
-15V
U206
7912
3
1
2
CN2
15V/OUT
3
1
2
CN1
AF/IN
+12V
-12V
+12V
-12V
GND
+Vcc
-Vcc
-Vcc
+Vcc
RLY1
RELAY
V
D222
1N4001
R126
5K6
R239
5K6
R253
10K
AC0
R240
5K6
R238
100
R122
r1/5W
R237
100
R123
r1/5W
Q210
2SC5200
Q209
2SA1943
R226
1K
R225
2K
TH1
10K
C218
100p
C280
2u2/50V
1
2
3
4
CN201
4PIN
1
2
3
4
CN202
4PIN
C263
100n
C262
100n
C260
470u/16V
C261
470u/16V
Q221
TIP41C
Q220
9013H
R263
5K6
D206
1N4148
1
2
CN206
2PIN
L201
TT-9974
Vin
1
GND
2
+5V
3
U207
7805
+12V
GND
C267
100n
C264
100u/16V
Text
D211
1N4001
C265
100u/16V
C266
47u/16V
C219
0.1UF/100V
+15V
Q230
9013H
R280
33K
AF/IN
Limited
R503
10K
R504
10K
R501
10K
R502
10K
U503
NSL32SR3
R512
330R
R511
1K
R510
1M5
R509
10K
5
6
7
U502B
TL072
3
2
1
8 4
U502A
TL072
D502
1N4148
D504
1N4148
D501
1N4148
D503
1N4148
Z501
2V7
Q501
BSN10
R513
470K
C503
100N
C502
470P
R508
10K
R514
2K4
TP501
10K
R505
10K
R507
10K
R506
20K
C501
100u35V
D501
LED
3
2
1
8 4
U501A
TL072
+12V
+5V
R299
1K5
All manuals and user guides at all-guides.com

Other manuals for KEF PSW3500

Related product manuals