EasyManua.ls Logo

KEF PSW3500 - Schematic Diagrams; Pre Amp Schematic

KEF PSW3500
28 pages
Print Icon
To Next Page IconTo Next Page
To Next Page IconTo Next Page
To Previous Page IconTo Previous Page
To Previous Page IconTo Previous Page
Loading...
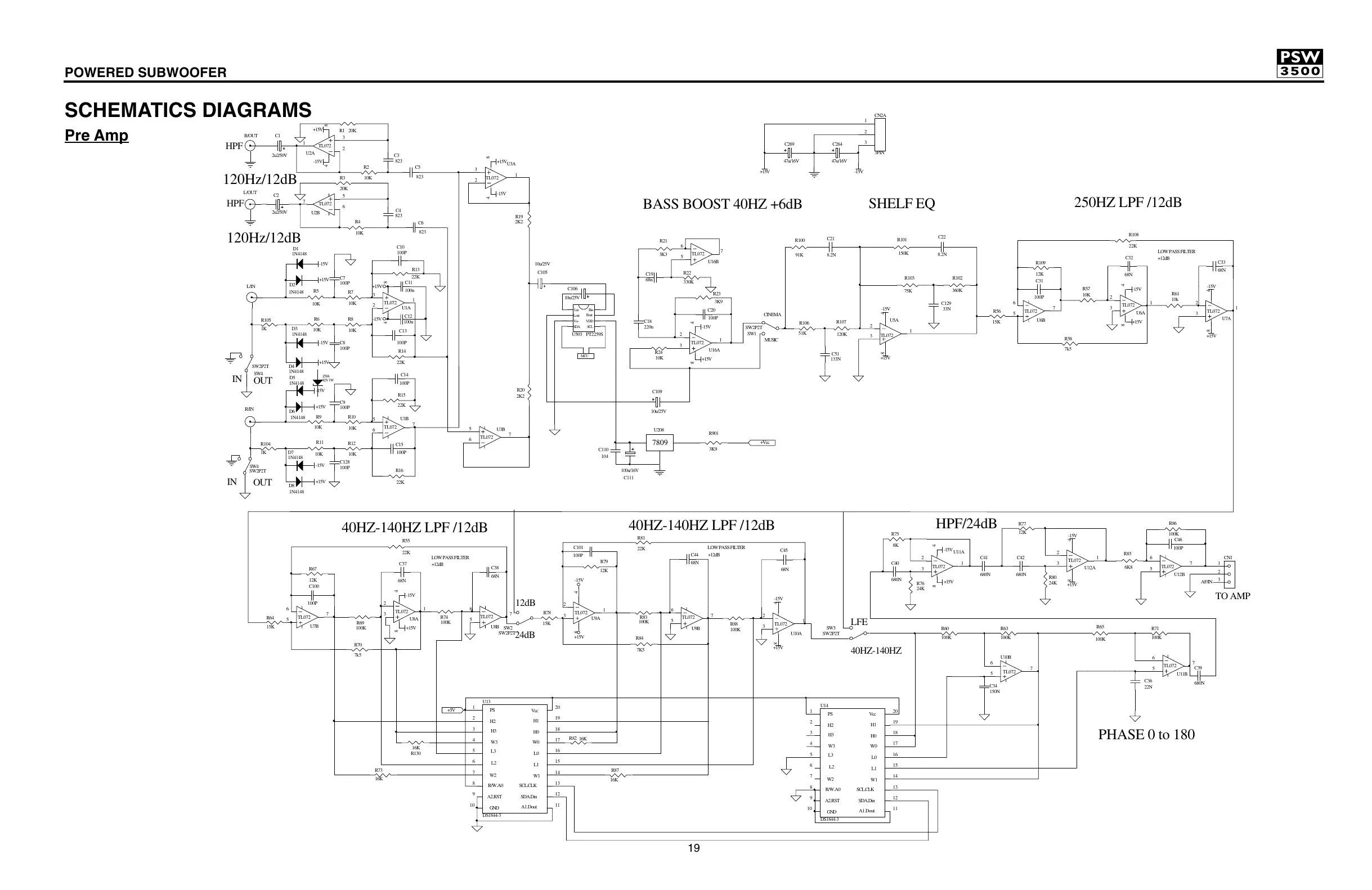
POWERED SUBWOOFER
19
SCHEMATICS DIAGRAMS
Pre Amp
R5
10K
C10
100P
R13
22K
R14
22K
C13
100P
R6
10K
C12
100n
C11
100n
-15V
+15V
R9
10K
C14
100P
R15
22K
R16
22K
C15
100P
R70
7k5
R130
16K
R73
16K
R79
12K
R84
7K5
R82
16K
R87
16K
C100
100P
C37
68N
C38
68N
C101
100P
C44
68N
C45
68N
R55
22K
+15V
-15V
LOW PASS FILTER
D1
1N4148
D2
1N4148
+15V
-15V
D3
1N4148
D4
1N4148
+15V
-15V
D5
1N4148
D6
1N4148
+15V
-15V
D7
1N4148
D8
1N4148
+15V
-15V
R105
1K
R104
1K
R65
100K
R63
100K
R60
100K
C34
150N
R71
100K
C36
22N
3
2
1
8 4
U12A
TL072
+15V
-15V
5
6
7
U11B
TL072
L/IN
R/IN
R/OUT
L/OUT
5
6
7
U3B
TL072
C2
2u2/50V
C1
2u2/50V
C39
680N
R76
24K
C40
680N
R75
8K
5
6
7
U10B
TL072
C41
680N
R80
24K
C42
680N
R77
12K
3
2
1
8 4
U11A
TL072
-15V
+15V
C105
10u/25V
R2
10K
C3
823
C5
823
-15V
+15V
3
2
1
84
U2A
TL072
R1 20K
R4
10K
C4
823
C6
823
R3
20K
3
2
1
84
U3A
TL072
-15V
+15V
3
2
1
84
U1A
TL072
5
6
7
U1B
TL072
-15V
+15V
3
2
1
8 4
U8A
TL072
3
2
1
8 4
U9A
TL072
-15V
+15V
3
2
1
8 4
U10A
TL072
5
6
7
U2B
TL072
5
6
7
U7B
TL072
5
6
7
U8B
TL072
5
6
7
U9B
TL072
R64
15K
SW2
SW2P2T
R7
10K
R8
10K
R10
10K
R12
10K
R67
12K
R11
10K
R19
2K2
R78
15K
R20
2K2
R81
22K
C7
100P
C9
100P
C8
100P
C128
100P
R69
100K
R74
100K
R83
100K
R88
100K
5
6
7
U16B
TL072
R23
3K9
C18
220n
R21
3K3
C19
68n
R22
330K
3
2
1
8 4
U16A
TL072
+15V
-15V
R24
10K
C20
100P
SW1
SW2P2T
LOW PASS FILTER
+12dB
+12dB
CINEMA
MUSIC
1
2
3
CN2A
3PIN
+15V -15V
C264
47u/16V
R100
91K
C21
8.2N
R107
120K
R106
51K
3
2
1
8 4
U5A
TL072
+15V
-15V
C22
8.2N
R101
150K
R102
360K
R103
75K
R58
7k5
R57
10K
R61
10k
C31
100P
C32
68N
C33
68N
R108
22K
-15V
+15V
3
2
1
8 4
U6A
TL072
5
6
7
U6B
TL072
R56
15K
R109
12K
LOW PASS FILTER
+12dB
SW3
SW2P2T
-15V
+15V
3
2
1
8 4
U7A
TL072
5
6
7
U12B
TL072
R85
6K8
R86
100K
C46
100P
C129
33N
120Hz/12dB
BASS BOOST 40HZ +6dB
SHELF EQ
40HZ-140HZ LPF /12dB
PHASE 0 to 180
HPF/24dB
120Hz/12dB
40HZ-140HZ LPF /12dB
250HZ LPF /12dB
+5V
1
2
3
4
5
6
7
8
9
10 11
12
13
14
15
16
17
18
19
20
PS
H2
H3
L3
L2
W2
R/W.A0
W3
A2.RST
GND
A1.Dout
SDA.Din
SCL.CLK
W1
L1
L0
W0
H0
H1
Vcc
U13
DS1844-3
1
2
3
4
5
6
7
8
9
10 11
12
13
14
15
16
17
18
19
20
PS
H2
H3
L3
L2
W2
R/W.A0
W3
A2.RST
GND
A1.Dout
SDA.Din
SCL.CLK
W1
L1
L0
W0
H0
H1
Vcc
U14
DS1844-3
C51
133N
SW4
SW2P2T
SW4
SW2P2T
Z506
82V 1W
Lin
Lout
Vss
SDA
Rin
Rout
VDD
SCL
U503 PT2259S
C109
10u/25V
+Vcc
MCU
C106
10u/25V
C111
100u/16V
7809
C110
104
HPF
HPF
U208
3
1
2
CN1
AF/IN
TO AMP
C269
47u/16V
IN
OUT
OUT
IN
40HZ-140HZ
LFE
12dB
24dB
R901
3K9
All manuals and user guides at all-guides.com

Other manuals for KEF PSW3500

Related product manuals