EasyManua.ls Logo

KEF PSW3500 - MCU Schematic

KEF PSW3500
28 pages
Print Icon
To Next Page IconTo Next Page
To Next Page IconTo Next Page
To Previous Page IconTo Previous Page
To Previous Page IconTo Previous Page
Loading...
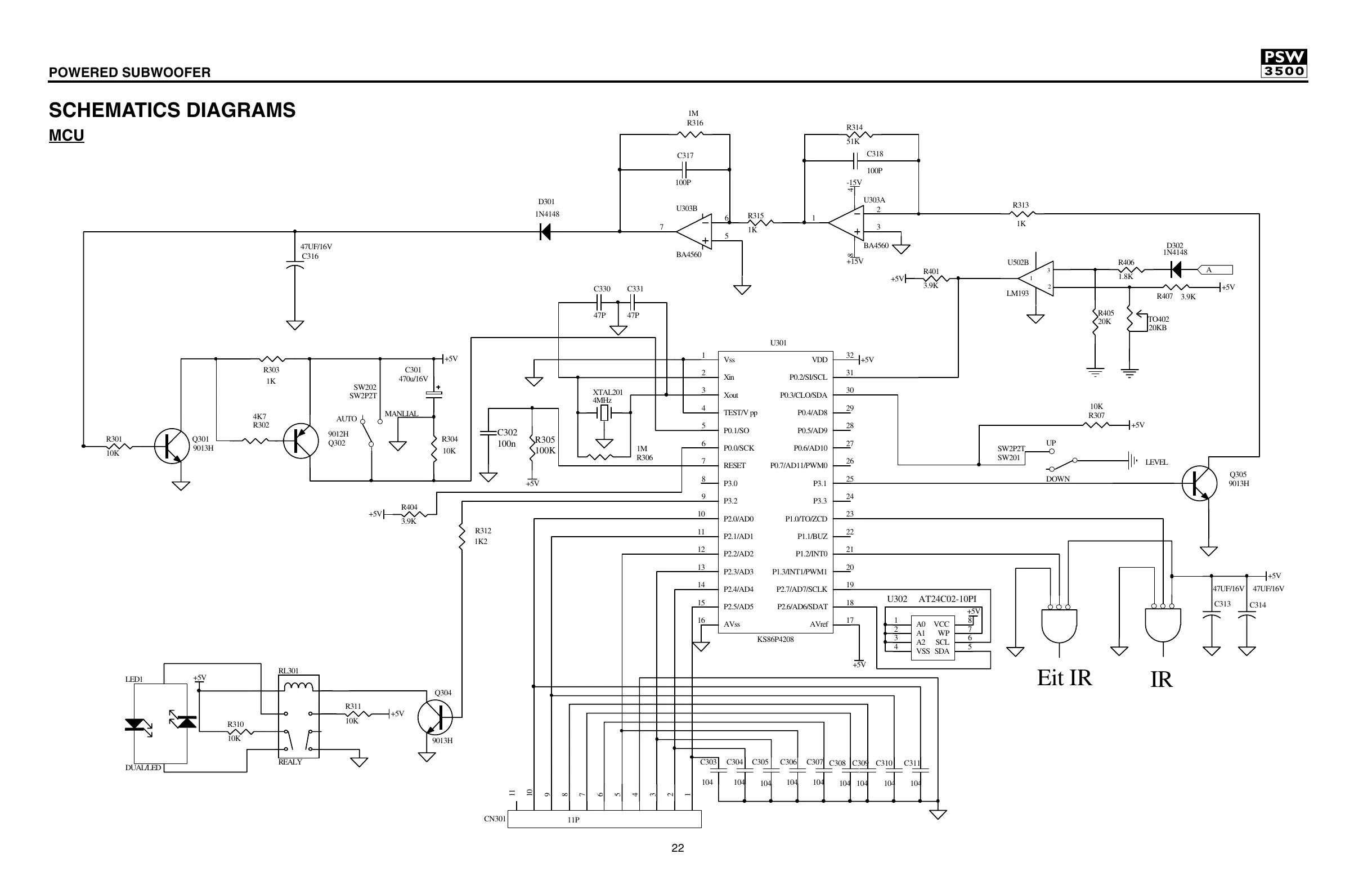
POWERED SUBWOOFER
22
SCHEMATICS DIAGRAMS
MCU
A0
1
A1
2
A2
3
VSS
4
SDA
5
SCL
6
WP
7
VCC
8
U302 AT24C02-10PI
XTAL201
4MHz
R305
100K
C302
100n
R306
1M
Vss
1
Xin
2
Xout
3
TEST/V pp
4
P0.1/SO
5
P0.0/SCK
6
RESET
7
P3.0
8
P3.2
9
P2.0/AD0
10
P2.1/AD1
11
P2.2/AD2
12
P2.3/AD3
13
P2.4/AD4
14
P2.5/AD5
15
AVss
16
AVref
17
P2.6/AD6/SDAT
18
P2.7/AD7/SCLK
19
P1.3/INT1/PWM1
20
P1.2/INT0
21
P1.1/BUZ
22
P1.0/TO/ZCD
23
P3.3
24
P3.1
25
P0.7/AD11/PWM0
26
P0.6/AD10
27
P0.5/AD9
28
P0.4/AD8
29
P0.3/CLO/SDA
30
P0.2/SI/SCL
31
VDD
32
U301
KS86P4208
+5V
+5V
+5V
+5V
1
2
3
4
5
6
7
8
9
10
11
CN301
11P
C303
104
C304
104
C305
104
C306
104
C307
104
C308
104
C309
104
C310
104
C311
104
C313
47UF/16V
C314
47UF/16V
R301
10K
Q301
9013H
Q302
9012H
R302
4K7
R303
1K
MANLIAL
AUTO
SW202
SW2P2T
+5V
R304
10K
C301
470u/16V
LEVEL
+5V
R307
10K
SW201
SW2P2T
C330
47P
C331
47P
R312
1K2
Q304
9013H
RL301
REALY
+5V
R310
10K
LED1
DUAL/LED
R311
10K
+5V
Q305
9013H
3
2
1
8 4
U303A
BA4560
+15V
-15V
R313
1K
C318
100P
R314
51K
5
6
7
U303B
BA4560
R315
1K
R316
1M
C317
100P
D301
1N4148
C316
47UF/16V
IR
+5V
Eit IR
R404
3.9K
D302
1N4148
A
R407
3.9K
R405
20K
R406
1.8K
R401
3.9K
TO402
20KB
+5V
1
2
3
U502B
LM193
+5V
+5V
UP
DOWN
All manuals and user guides at all-guides.com

Other manuals for KEF PSW3500

Related product manuals