EasyManua.ls Logo

Keithley 2601 - Page 103

Keithley 2601
114 pages
Print Icon
To Next Page IconTo Next Page
To Next Page IconTo Next Page
To Previous Page IconTo Previous Page
To Previous Page IconTo Previous Page
Loading...
2600S-900-01 Rev. C / January 2008 Return to Section Topics B-7
Series 2600 System SourceMeter
®
Instruments User’s Manual Appendix B: Frequently Asked Questions
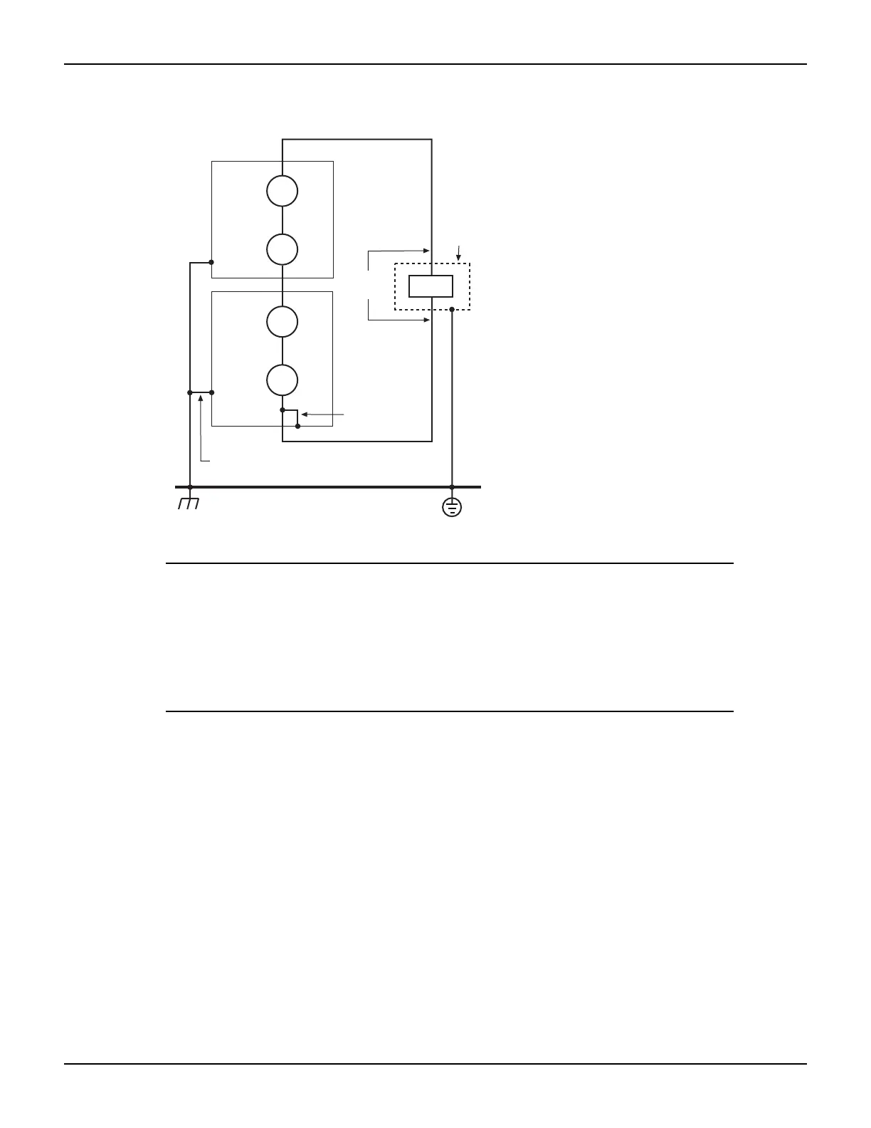
Figure B-3
Stacking channels for higher voltage
Hi
Lo
+
40.4V
Max
Hi
Lo
+
40.4V
Max
Chan B
Chan A
2602-2
Hi
Lo
+
40.4V
Max
Hi
Lo
+
40.4V
Max
Chan B
Chan A
2602-1
Chassis Earth Ground
DUT
161.6V
Max
Output low
connected
to chassis
Safety
Earth
Ground
Safety
Shield
Each 2602 chassis is connected to chassis
earth ground through the power cord.
WARNING
Connect metal safety shield
to Safety Earth Ground using
#18 AWG or larger wire.
Note
On the 2602-1, connect Channel A
LO to the Chassis at the rear panel.
LOs for the other channels must be
isolated from Chassis.
NOTE Each stacked channel adds approximately 100μA of common mode
current that is seen by the channels below it. Therefore, in the
example above, Model 2602-1 Chan A will measure approximately
100μA x 3 = 300μA higher than Model 2602-2 Chan B. Similarly,
Model 2602-1 Chan B will measure approximately 100μA x 2 =
200μA higher than Model 2602-2 Chan B. The most accurate
measurement of actual current flowing through the DUT will be
obtained from Model 2602-2 Chan B.

Table of Contents

Other manuals for Keithley 2601

Related product manuals