EasyManua.ls Logo

Keyscan CA250 Series - Figure 72 - Multiple ACU Communication - USB Adaptor;Cpb-10-2

Default Icon
200 pages
Print Icon
To Next Page IconTo Next Page
To Next Page IconTo Next Page
To Previous Page IconTo Previous Page
To Previous Page IconTo Previous Page
Loading...
Keyscan Technical Guide (PC109x - 04.12)
95
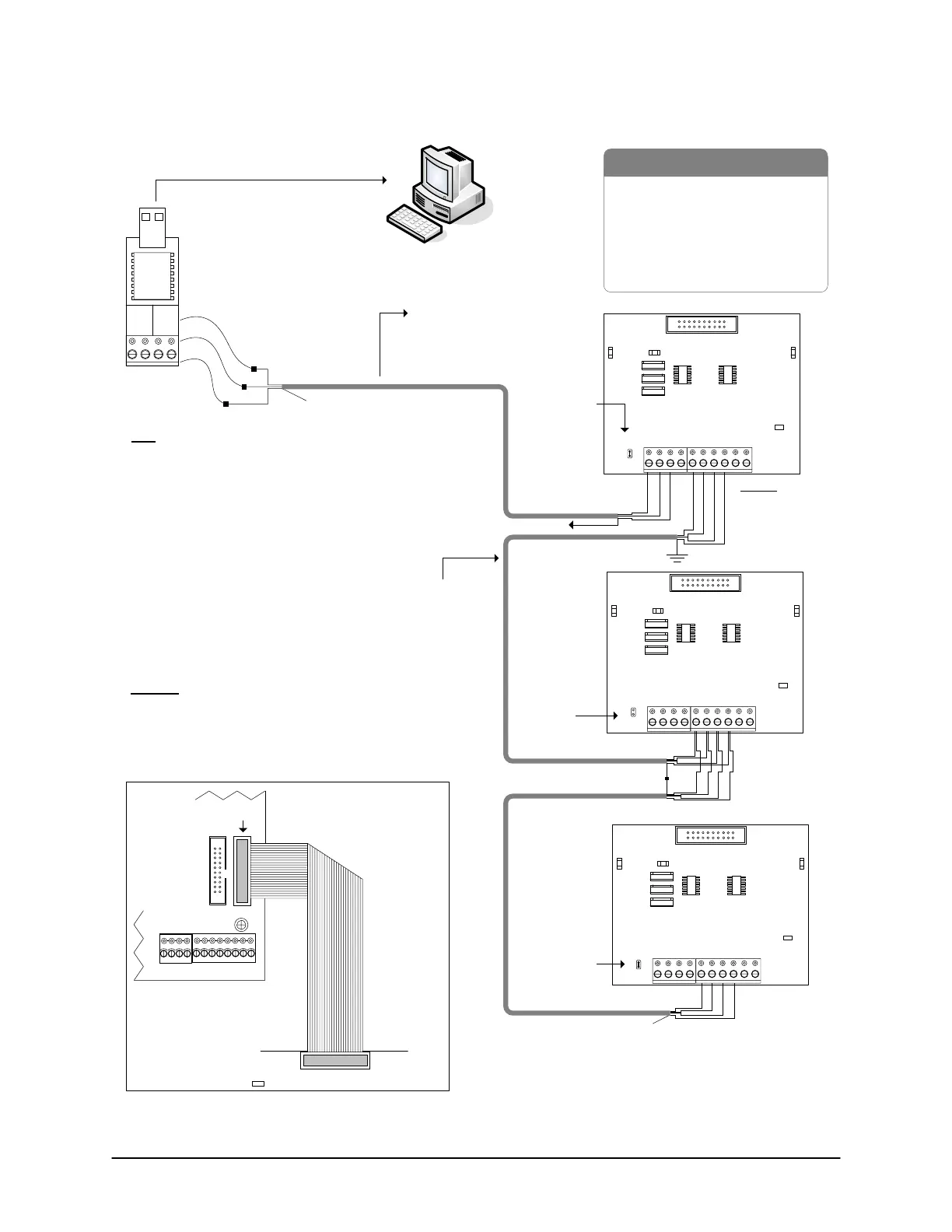
Figure 72 – Multiple ACU Communication - USB Adaptor/CPB-10-2
- PC (with USB port)
- 22 AWG 4 conductors shielded cable
- Control Board
- CPB-10-2
- USB Adaptor (USB-SER)
- USB extension cable optional
Brown & White
not used. Tape
back
separately.
Jumper
OFF J1
Green
Red
Black
GND
R
T
B
Shield
GND
R
T
B
GND
R
T
B
GND
R
T
B
Shield
Tape back
shield
CPB-10-2
- supports parallel and star communication
(diagram shows CPB-10-2 in parallel communication)
- maximum distance 1st to last CPB-10-2 - 4000 ft (1219 m)
- maximum distance between CPB-10-2s - 2000 ft (609 m)
EIA/TIA 562
Signal
to USB port (may require
USB extension cable)
PC with
Communication
Manager
RS-232
22 AWG shielded cable
Maximum - 100 ft (30 m) @
9600 BPS
Green
Black
Use 3 loose
RS-232 wires.
Red
Tape back shield.
Unused conductors
taped back separately.
Note
USB (RS-232) communication is
slower than direct serial or
NETCOM communication. Do not
connect USB adaptor to modem.
Shield*
to ground lug
B LED
Connect CPB-10-2 ribbon
cable to CPB/CB MODULE
terminal on control board.
Common AUX Inputs - E
CPB/CB MODULE
(COM4)
CPB-10-2
Control
Board
(PC 109x)
Parts List
Legend
GND = Ground
R = Rx
T = Tx
B = Busy Line
Important
Jumper ON
J16 – G to
activate CPB/
CB MODULE
(H1) terminal.
H1
BRN
WHT
GRN
WHT
+ TX - + RX -
485 OUT 485 IN
RX
LED
TX
LED
Current Draw 40 mA
CPB-10-2
GND
TD
RD
DCD
T
B
GND
R
DTR
CTS
J1
TO PC
RX
LED
TX
LED
Current Draw 40 mA
CPB-10-2
GND
TD
RD
DCD
T
B
GND
R
DTR
CTS
J1
TO PC
RX
LED
TX
LED
Current Draw 40 mA
CPB-10-2
GND
TD
RD
DCD
T
B
GND
R
DTR
CTS
J1
TO PC
Jumper ON J1
(First & Last
CPB10-2)
Jumper ON J1
(First & Last
CPB10-2)
H2
KI-00175E-07-11
* Insulate shield with PVC tubing such
as Alpha #16 or comparable insulator.

Table of Contents