EasyManua.ls Logo

Keysight Technologies 34970A - Analog Output

Keysight Technologies 34970A
197 pages
Print Icon
To Next Page IconTo Next Page
To Next Page IconTo Next Page
To Previous Page IconTo Previous Page
To Previous Page IconTo Previous Page
Loading...
Theory of Operation 5
Keysight 34970A/34972A Service Guide 165
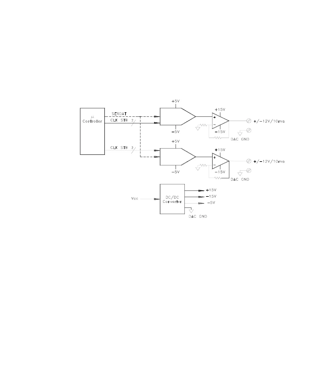
Analog Output
Components in this discussion are located on the A1 circuit assembly
(34907-66501).
A simplified block diagram of the analog output channels is shown below.
Communication with each DAC (U503 and U504) is via three lines: SERSTB,
DACCLK, and SERDAT. Each DAC has a voltage output of ±3 V. U505 and U506
amplify this voltage to the ±12V output.
A DC/DC converter is used to provide the ± 15V supplies to U505 and U506. The ±
15V supplies also are used at the input of the totalizer. U502 provides the –5 V
supply used by the DACs.
A line from U101 P0.4 is used to control the output of U510. After a reset or
power-up, U510 is held in the shutdown state. U101 turns on the DC/DC
converter in response to commands from the main controller. The main controller
paces the turn on of the DC/DC converters to ensure that if multiple modules are
installed, the backplane power supply is not pulled down by the in-rush current of
the DC/DC converters.

Table of Contents

Related product manuals