EasyManua.ls Logo

Keysight N9030A - Page 27

Keysight N9030A
42 pages
To Next Page IconTo Next Page
To Next Page IconTo Next Page
To Previous Page IconTo Previous Page
To Previous Page IconTo Previous Page
Loading...
Installation Note N9030-90045 27
Option BBA, Analog Baseband I/Q Inputs Retrofit Kit
Installing boards into the front frame
1. Remove the blank label on left side of the front frame by peeling it off.
2. Remove the filler plate by removing two screws with a T10 driver.
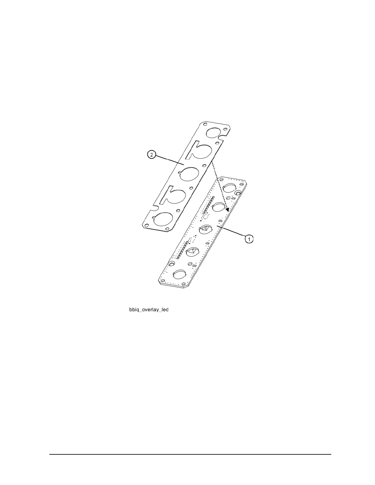
3. Refer to Figure 21. Locate the N9020-63095, LED board (1 ) and N9020-80013 LED board
overlay (2).
Figure 21 LED Board and Overlay

Other manuals for Keysight N9030A

Related product manuals