EasyManua.ls Logo

Keystone KS - Page 21

Keystone KS
60 pages
Print Icon
To Next Page IconTo Next Page
To Next Page IconTo Next Page
To Previous Page IconTo Previous Page
To Previous Page IconTo Previous Page
Loading...
Keystone Boilers and Water Heaters
Page 21
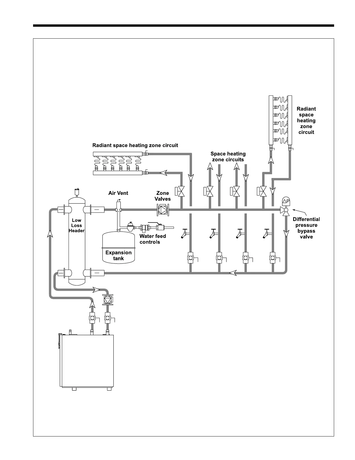
Figure 15. Hydronic Piping — Single Boiler, Low Temp Radiant Space Heating using Low Loss Header and Zone Valves.
KeystoneKeystone
KeystoneKeystone
Keystone

Table of Contents