EasyManua.ls Logo

Keystone KS - Page 22

Keystone KS
60 pages
Print Icon
To Next Page IconTo Next Page
To Next Page IconTo Next Page
To Previous Page IconTo Previous Page
To Previous Page IconTo Previous Page
Loading...
Page 22
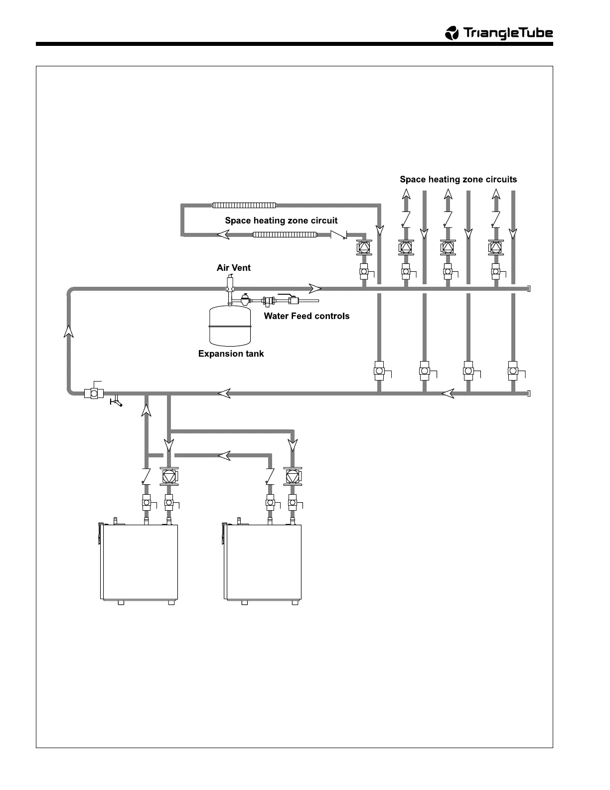
Figure 16. Hydronic Piping — Multiple Boilers (zoning with circulators).
KeystoneKeystone
KeystoneKeystone
Keystone
KeystoneKeystone
KeystoneKeystone
Keystone

Table of Contents