EasyManua.ls Logo

Keystone KS - Page 54

Keystone KS
60 pages
Print Icon
To Next Page IconTo Next Page
To Next Page IconTo Next Page
To Previous Page IconTo Previous Page
To Previous Page IconTo Previous Page
Loading...
Page 54
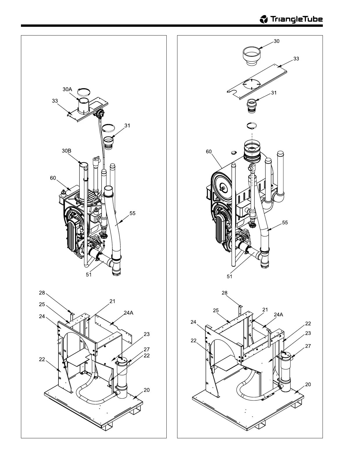
Figure 34A. Internal Components, Size 199. Figure 34B. Internal Components, Sizes 285–600.

Table of Contents