EasyManua.ls Logo

Keystone KS - Page 55

Keystone KS
60 pages
Print Icon
To Next Page IconTo Next Page
To Next Page IconTo Next Page
To Previous Page IconTo Previous Page
To Previous Page IconTo Previous Page
Loading...
Keystone Boilers and Water Heaters
Page 55
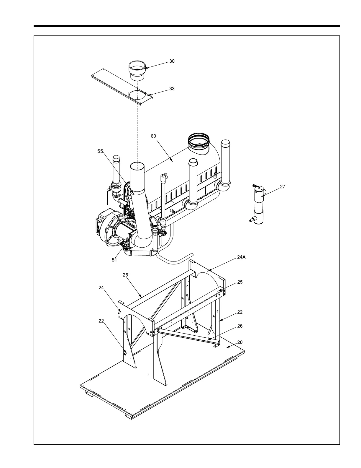
Figure 34C. Internal Components, Sizes 750-850.

Table of Contents