EasyManua.ls Logo

Keystone KS - Page 56

Keystone KS
60 pages
Print Icon
To Next Page IconTo Next Page
To Next Page IconTo Next Page
To Previous Page IconTo Previous Page
To Previous Page IconTo Previous Page
Loading...
Page 56
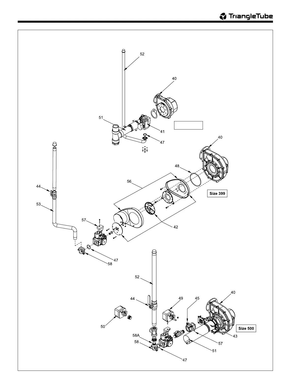
Figure 35A. Gas Train Components, Sizes 199-500.
Sizes 199-285

Table of Contents