EasyManua.ls Logo

Kipor KGE12E - Periodic Maintenance and Service

Kipor KGE12E
19 pages
Print Icon
To Previous Page IconTo Previous Page
To Previous Page IconTo Previous Page
Loading...
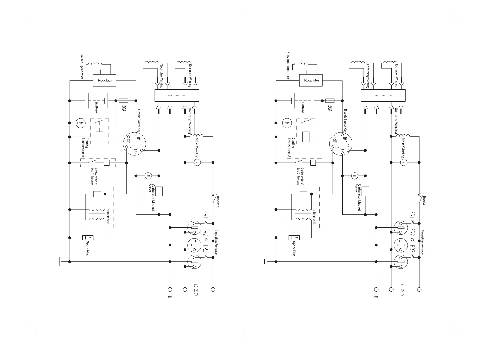
KGE12E ELECTRICAL WIRING DIAGRAMKGE12E ELECTRICAL WIRING DIAGRAM

Related product manuals