EasyManua.ls Logo

KitchenAid 30" - WIRING DIAGRAMS; Interior-Mounted Blower Motor

KitchenAid 30"
56 pages
Print Icon
To Next Page IconTo Next Page
To Next Page IconTo Next Page
To Previous Page IconTo Previous Page
To Previous Page IconTo Previous Page
Loading...
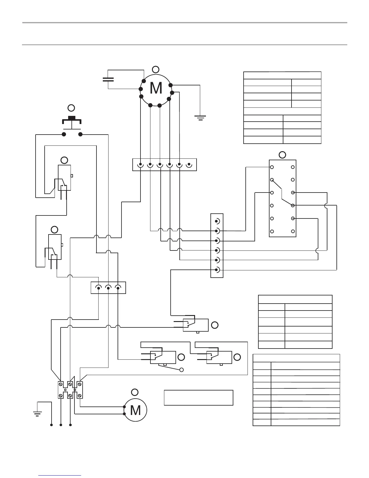
25
WIRING DIAGRAMS
Interior-Mounted Blower Motor
S50
7
Y
Y/G
BR
9
2
Neutral
4˚ Speed
3˚ Speed
2˚ Speed
1˚ Speed
R
R
R
R
R
GY
GY
GY
GY
BUBU
BU
BK
BK
W
W
W
BK
R
R
BR
BR
BR
BR
BR
BU
R
GY
BK
BK
GY GY
R
R
W
W
BR BR
BR
BR
GY
GY
GY
GY
GY
R
BU
BK
W
Y/G
G
LN
SEL0015061
NOTE: Wiring diagram is drawn
with plenum in down position.
Com
Com
Com
ComCom
N.C.
N.C.
N.C.
N.O.
N.O.N.O.
N.O.
N.O.
N.C.
N.C.
1
8
5
43
6
1
1
1
1
2
3
4
5
6
7
8
9
10
11
12
1
23
Motor Specifications
Power supply 120 VAC
Frequency
60 Hz
Wattage rating
420 W
Amperage 3.7 A
Motor Resistance
BU/W 21.6 Ohms
BU/R 18 Ohms
BU/GY 14.3 Ohms
BU/BK 9.8 Ohms
Component Layout
Num.
Description
6
1
2
3
4
5
7
8
9
Filter microswitch
Filter microswitch
Plenum down limit switch
Plenum up limit switch
Motor microswitch
Plenum drive motor
Blower motor
Blower speed switches
Start sw. - plenum up/down
Blower Switch Operation
Contact
Function
1 - 3
OFF
3 - 5
1st Speed
5 - 7
2nd Speed
3rd Speed
8 - 10
10 - 12
4th Speed

Table of Contents

Other manuals for KitchenAid 30"

Related product manuals