EasyManua.ls Logo

KitchenAid 30" - Ventilateur Monté À Lextérieur

KitchenAid 30"
56 pages
Print Icon
To Next Page IconTo Next Page
To Next Page IconTo Next Page
To Previous Page IconTo Previous Page
To Previous Page IconTo Previous Page
Loading...
53
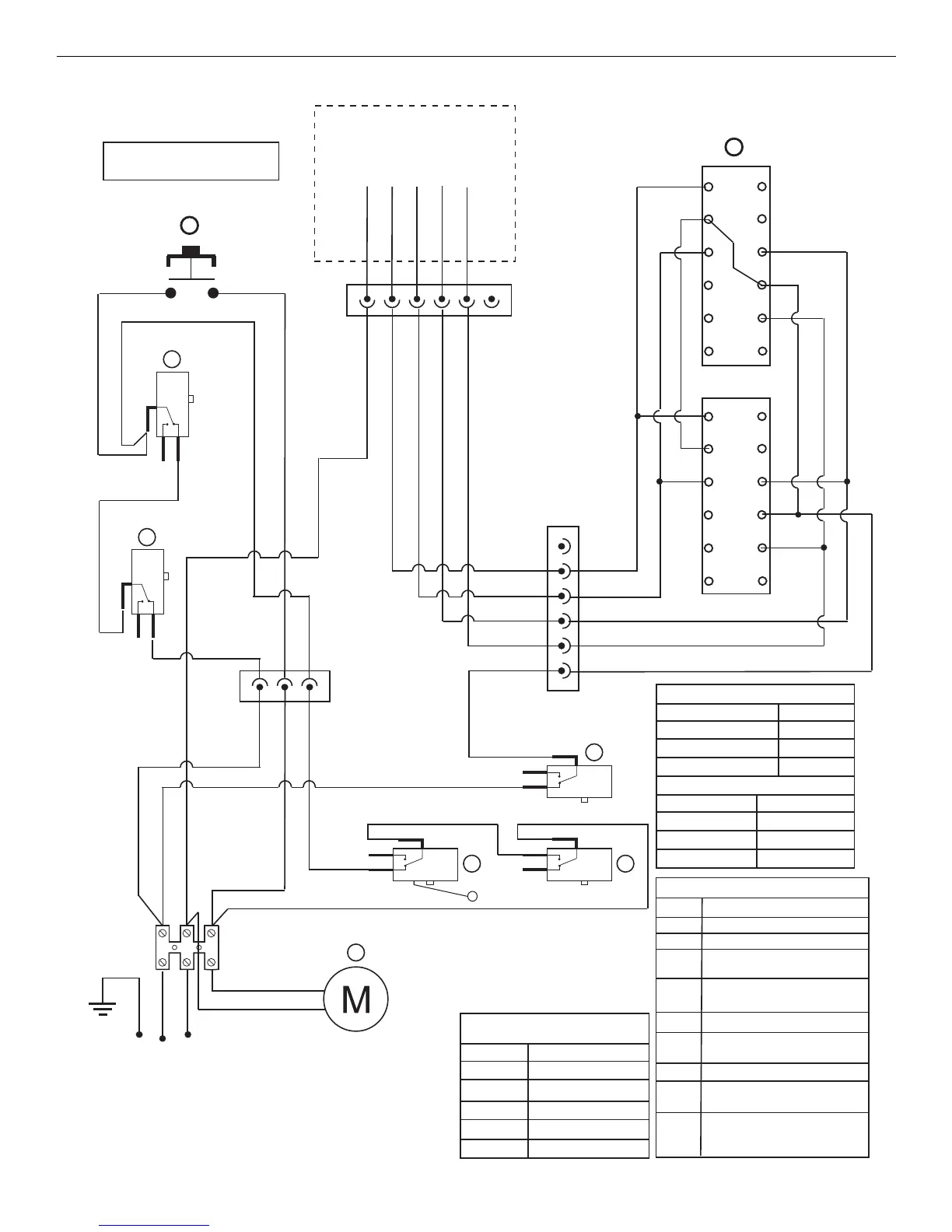
Ventilateur monté à l'extérieur
SEL0016521
REMARQUE : Câblage pour
ventilateur à l'extérieur
Commun
4˚ vitesse
3˚ vitesse
2˚ vitesse
1˚ vitesse
BU
N
GRIS
R
BL
BL
BU
N
GRIS
R
1
9
2
R
R
R
GRIS
BU
MAR
1
MAR
MAR
MAR
MAR
GRISGRIS
R
R
BU
N
BL
JA/VE
Terre L
NEU
REMARQUE : Le schéma de
câblage montre la fin de course
en position basse.
6
GRIS
GRIS
GRIS
BU
GRIS
GRIS
MAR
MAR
MAR
MAR
BL
BL
R
R
GRIS
GRIS
NN
1
1
5
43
N
N
GRIS
MAR
8
MAR
BL
RR
BL
MAR
R
Caractéristiques du moteur
Alimentation 120 VCA
Fréquence
60 Hz
Puissance nominale
420 W
Intensité 3,7 A
Résistance du moteur
BU/BL 21,6 ohms
BU/R 18 ohms
BU/GRIS 14,3 ohms
BU/N 9,8 ohms
Disposition des composants
Num.
Description
6
1
2
3
4
5
7
8
9
Microcontact du filtre
Microcontact du filtre
Fin de course basse de
la chambre de distribution
Fin de course haute de la
chambre de distribution
Microcontact moteur
Moteur d'entraînement de
la chambre de distribution
Moteur du ventilateur
Contacteurs de vitesse
du ventilateur
Bouton marche -
montée/descente ch.
distrib.
Fonctionnement du
commutateur du ventilateur
Contact
Fonction
1 - 3
ARRÊT
3 - 5
1ère vitesse
5 - 7
2e vitesse
3e vitesse
8 - 10
10 - 12
4e vitesse
12
3
111111111
1
2
3
1
4
5
6
7
8
9
10
11
12
2
3
4
5
6
7
8
9
10
11
12
Com
Com
Com
ComCom N.O.
N.O.
N.O.
N.O.
N.O.
N.F.
N.F.
N.F.
N.F. N.F.

Table of Contents

Other manuals for KitchenAid 30"

Related product manuals