EasyManua.ls Logo

KitchenAid 30" - Exterior-Mounted Blower Motor

KitchenAid 30"
56 pages
Print Icon
To Next Page IconTo Next Page
To Next Page IconTo Next Page
To Previous Page IconTo Previous Page
To Previous Page IconTo Previous Page
Loading...
26
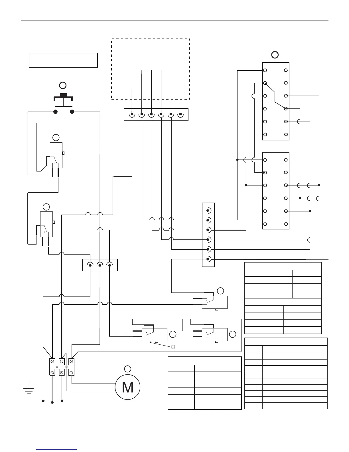
Exterior-Mounted Blower Motor
SEL0016521
NOTE: Wiring for
external blower motor
Common
4º Speed
3º Speed
2º Speed
1º Speed
BU
BK
GY
R
W
W
BU
BK
GY
R
1
9
2
R
R
R
GY
BU
BR
1
BR
BR
BR
BR
GYGY
R
R
BU
BK
W
Y/G
GL
N
NOTE: Wiring diagram is drawn
with plenum in down position.
6
GY
GY
GY
BU
GY
GY
BR
BR
BR
BR
W
W
R
R
GY
GY
BK BK
1
1
5
43
BK
BK
GY
BR
8
BR
W
RR
W
BR
R
Motor Specifications
Power supply 120 VAC
Frequency
60 Hz
Wattage rating
420 W
Amperage 3.7 A
Motor Resistance
BU/W 21.6 Ohms
BU/R 18 Ohms
BU/GY 14.3 Ohms
BU/BK 9.8 Ohms
Component Layout
Num.
Description
6
1
2
3
4
5
7
8
9
Filter microswitch
Filter microswitch
Plenum down limit switch
Plenum up limit switch
Motor microswitch
Plenum drive motor
Blower motor
Blower speed switches
Start sw. - plenum up/down
Blower Switch Operation
Contact
Function
1 - 3
OFF
3 - 5
1st Speed
5 - 7
2nd Speed
3rd Speed
8 - 10
10 - 12
4th Speed
12
3
111111111
1
2
3
1
4
5
6
7
8
9
10
11
12
2
3
4
5
6
7
8
9
10
11
12
Com
Com
Com
ComCom
N.O.
N.O.
N.O.
N.O.
N.O.
N.C.
N.C.
N.C.
N.C. N.C.

Table of Contents

Other manuals for KitchenAid 30"

Related product manuals