EasyManua.ls Logo

KitchenAid KIRD862VSS - Schéma de Câblage; Ventilateur Monté À Lintérieur

KitchenAid KIRD862VSS
60 pages
Print Icon
To Next Page IconTo Next Page
To Next Page IconTo Next Page
To Previous Page IconTo Previous Page
To Previous Page IconTo Previous Page
Loading...
55
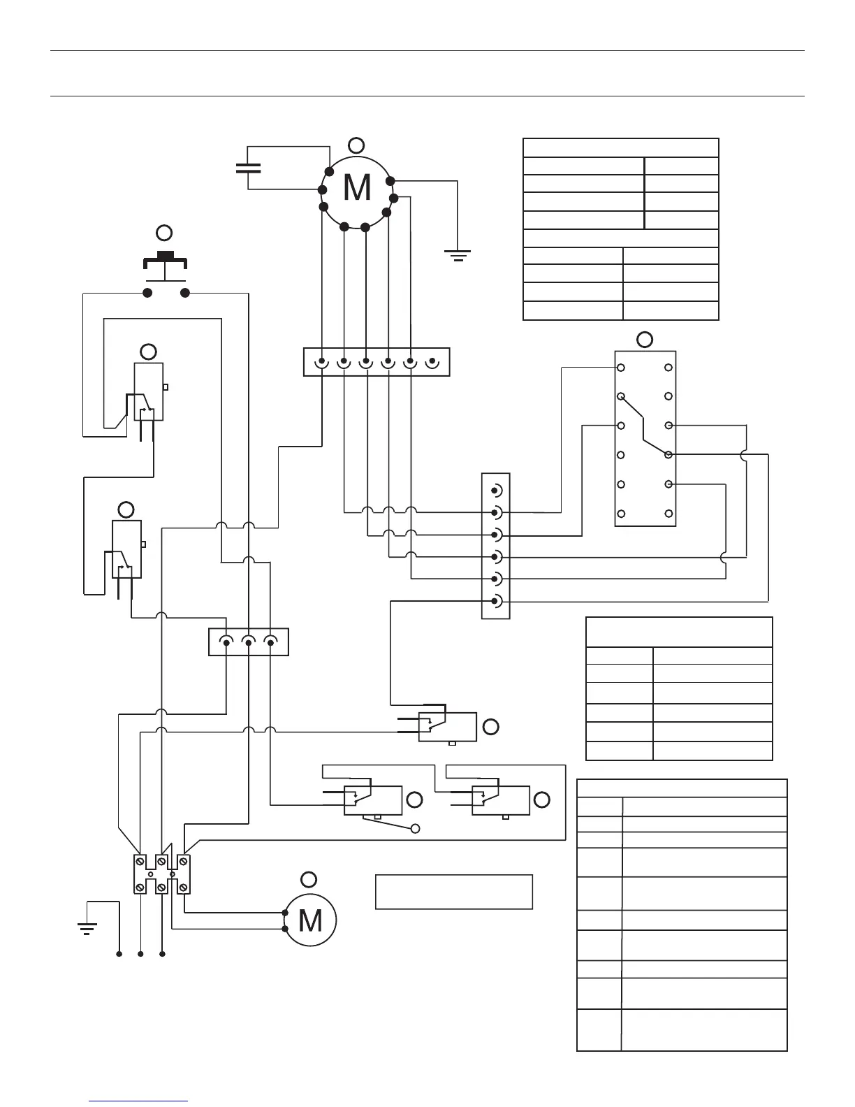
SCHÉMA DE CÂBLAGE
Ventilateur monté à l'intérieur
S50
7
JA
JA/VE
MAR
9
2
Neutre
Vitesse
Vitesse
Vitesse
Vitesse
R
R
R
R
R
GRIS
GRIS
GRIS
GRIS
BUBU
BU
N
N
BL
BL
BL
N
R
R
MAR
MAR
MAR
MAR
MAR
BU
R
GRIS
N
N
GRIS GRIS
R
R
BL
BL
MAR MAR
MAR
MAR
GRIS
GRIS
GRIS
GRIS
GRIS
R
BU
N
BL
JA/VE
Terre
P NEU
SEL0015061
REMARQUE : Le schéma de câblage
montre la fin de course en position basse.
Com
Com
Com
ComCom
N.F.
N.F.
N.F.
N.O.
N.O.
N.O.
N.O.
N.O.
N.F.
N.F.
1
8
5
43
6
1
1
1
1
2
3
4
5
6
7
8
9
10
11
12
1
23
Caractéristiques du moteur
Alimentation 120 VCA
Fréquence
60 Hz
Puissance nominale
420 W
Intensité 3,7 A
Résistance du moteur
BU/BL 21,6 ohms
BU/R 18 ohms
BU/GRIS 14,3 ohms
BU/N 9,8 ohms
Fonctionnement du
commutateur du ventilateur
Contact
Fonction
1 - 3
ARRÊT
3 - 5
1ère vitesse
5 - 7
2e vitesse
3e vitesse
8 - 10
10 - 12
4e vitesse
Disposition des composants
Description
6
1
2
3
4
5
7
8
9
Microcontact du filtre
Microcontact du filtre
Fin de course basse de
la chambre de distribution
Fin de course haute de la
chambre de distribution
Microcontact moteur
Moteur d'entraînement de
la chambre de distribution
Moteur du ventilateur
Contacteurs de vitesse
du ventilateur
Bouton marche -
montée/descente ch.
distrib.

Table of Contents

Related product manuals