EasyManua.ls Logo

KitchenAid KODE500EBS - Page 17

KitchenAid KODE500EBS
52 pages
Print Icon
To Next Page IconTo Next Page
To Next Page IconTo Next Page
To Previous Page IconTo Previous Page
To Previous Page IconTo Previous Page
Loading...
OPERATION
Built-In Single and Double Wall Ovens
n
2-3
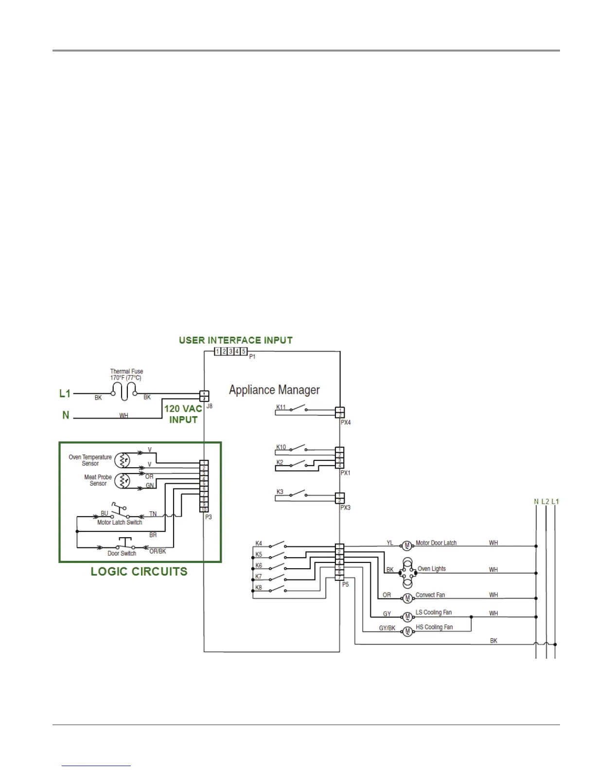
Wiring Diagram & LOGIC Circuits
The wiring diagram shown, on the previous page, is for a single Built-In oven with Convecon cooking.
Lets point out a couple of interesng circuits that could easily catch a seasoned tech o guard. Check
out the NOTE at the boom of the diagram about the posion of the door. Oven Door Closed - means
the oven light is o. Now take a look at the door switch on the wiring diagram. Switch is shown closed.
So, we’ll talk about how I would interpet this. Normally a closed door switch would tell me that the
oven light is on - closed light circuit = bright light. In this case, the closed light switch is telling the
Appliance Manager that the light should be o. Not a lot of techs would think much dierent. Whats
really happening is that the closed light switch is telling the AM the light should be o and the AM
converts the informaon to open the K5 relay. The light switch is not turning the oven light on or O, it
just provides the necessary LOGIC to the board and the AM operates the light.
Same thing with the oven LOGIC circuits to the AM. The LOGIC circuits supplies informaon to the board
- open or closed switches (Innite or Zero resistance), oven temperature(OHMs resistance), and meat
probe temperature (OHMs resistance), then the AM reacts to the informaon being supplied and
operates the required relays. Now, don’t think that if the oven light doesn’t work we need to change
the AM board, we need to verify that the board is receiving the correct informaon from the light
switch LOGIC circuit, and in this case if we want the light on, the light switch should be open.
In the diagram below we show the LOGIC circuits available on these built-In ovens and the components
they have an imput for. The door switch helps the board control the Oven Lights. The Motor Latch
Switch contributes informaon to the AM which in turn operates the Self-Clean Door Latch Motor. The
Oven Temperature Sensor and the Meat Probe Sensor LOGIC circuits have a great deal of input as to
how the Bake and Broil elements operate.

Related product manuals