EasyManua.ls Logo

KitchenAid KODE507ESS - User Interface and Keypad Assembly

KitchenAid KODE507ESS
52 pages
Print Icon
To Next Page IconTo Next Page
To Next Page IconTo Next Page
To Previous Page IconTo Previous Page
To Previous Page IconTo Previous Page
Loading...
OPERATION
Built-In Single and Double Wall Ovens
n
2-7
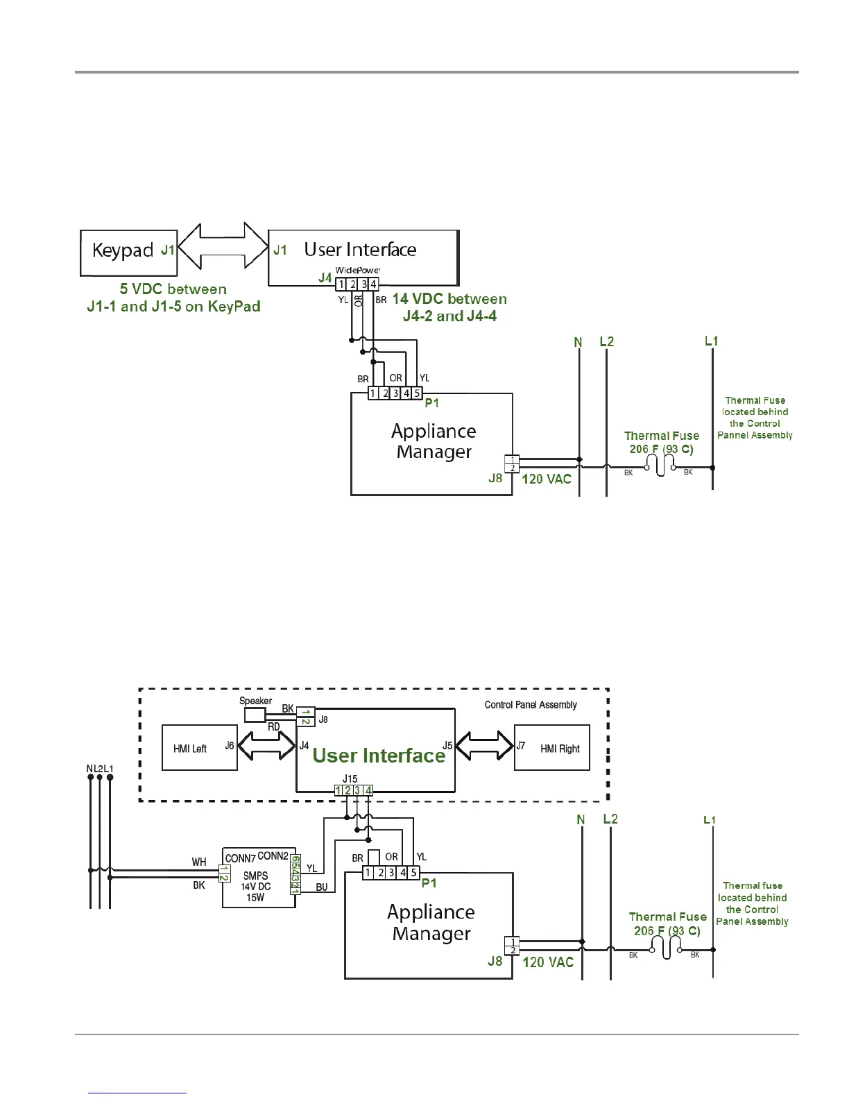
User Interface and Keypad
Here we provide informaon about the User Interface, Keypad and Appliance Manager connecons.
The User Interface and KeyPad are connected and communicate with each other through the J1
connecons. The User Interface & Keypad assembly (J4) communicate with the Appliance Manager
(P1). When tesng between these components you are searching for LOW voltages as described in the
diagrams below.
This second diagram represents a higher featured oven that does not have the power transformer on
the Appliance Manager. It acquires the low DC voltage from an electronic power supply (SMPS).
Measurements are the same between the User Interface and the Appliance Manager (14 VDC between
J15-2 and J15-4).

Related product manuals